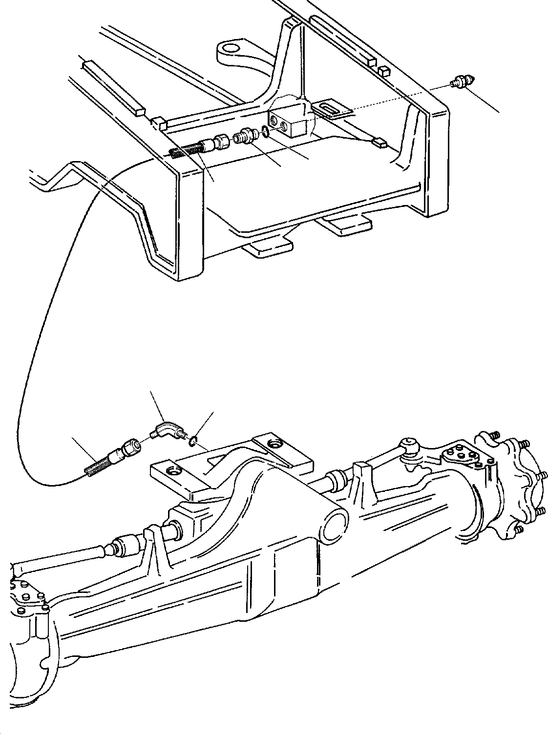
Запчасти Komatsu WB150PS-2 СИСТЕМА СМАЗКИ МОСТА РАМА

Схема запчастей Komatsu WB150PS-2 - СИСТЕМА СМАЗКИ МОСТА РАМА
1
3
2
4
5
6
4
FIT
1:1
100%

Артикул

Название

Примечание

Количество

1

860010007

FITTING

2

500358752

UNION

3

855670020

O-RING

4

392363045

PIPE

5

500355715

UNION

6

855051111

O-RING

Выбрано товаров: 6