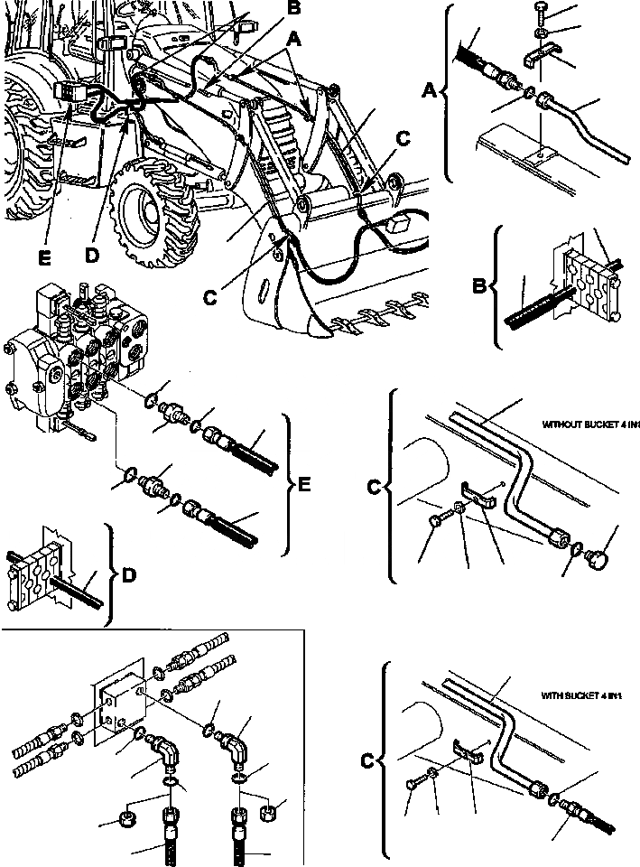
Запчасти Komatsu WB150PS-2N FIG. H-A ГИДРОЛИНИЯ - УПРАВЛЯЮЩ. КЛАПАН - КОВШ - [4 В 1] ЦИЛИНДР ГИДРАВЛИКА

Схема запчастей Komatsu WB150PS-2N - FIG. H-A ГИДРОЛИНИЯ - УПРАВЛЯЮЩ. КЛАПАН - КОВШ - [4 В 1] ЦИЛИНДР ГИДРАВЛИКА
8
4
4
9
7
6
7
5
4
6
17
2
6
3
4
1
1
2
4
10
3
4
8
7
9
11
6
16
14
15
16
13
14
18
15
7
9
8
18
12
12
12
FIT
1:1
100%

Артикул

Название

Примечание

Количество

1

500380124

UNION

2

855051119

O-RING

3

855051014

O-RING

4

392861002

HOSE

5

855051016

O-RING

6

312631052

PIPE, R.H.

6

312631053

PIPE, L.H.

7

312631600

RETAINER, TUBING

8

801015109

BOLT

9

802150510

WASHER

10

500380303

PLUG

11

855051016

O-RING

12

392431023

HOSE

13

855051016

O-RING

14

500380510

UNION, ELBOW

15

855051016

O-RING

16

855051617

O-RING

17

312630726

PROTECTION, HOSE

18

500380313

PLUG

Выбрано товаров: 19