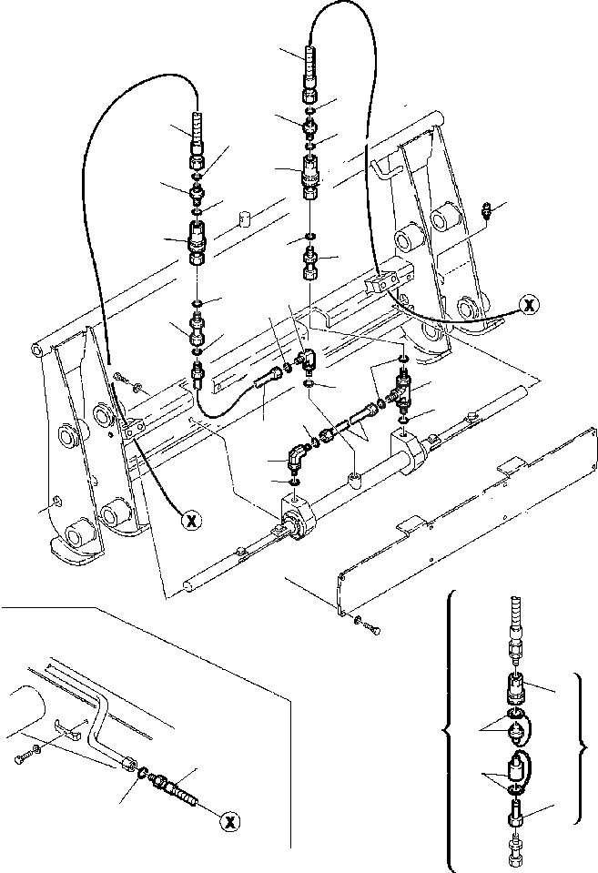
Запчасти Komatsu WB150PS-2N FIG. H8-A ГИДРОЛИНИЯ - КОВШ БЫСТРОСЪЕМН. МЕХ-М ГИДРАВЛИКА

Схема запчастей Komatsu WB150PS-2N - FIG. H8-A ГИДРОЛИНИЯ - КОВШ БЫСТРОСЪЕМН. МЕХ-М ГИДРАВЛИКА
20
19
20
18
19
22
18
12
11
11
1
9
6
1
4
2
20
5
3
8
7
2
13
17
12
17
10
3
10
21
15
16
14
12
FIT
1:1
100%

Артикул

Название

Примечание

Количество

1

500380507

UNION, ELBOW

2

855051113

O-RING

3

855051014

O-RING

4

500380904

UNION, T

5

855051113

O-RING

6

855051014

O-RING

7

312630072

PIPE

8

312630073

PIPE

9

855051014

O-RING

10

312630670

UNION

11

855051617

O-RING

12

200362251

FAST COUPLING LINE ASSEMBLY

13

200362252

FITTING

14

200362253

BODY

15

200362262

PLUG, FEMALE

16

200362263

PLUG, MALE

17

500380110

UNION

18

855051617

O-RING

19

855051016

O-RING

20

392431023

HOSE

21

855051016

O-RING

22

860010007

FITTING, GREASE

Выбрано товаров: 22