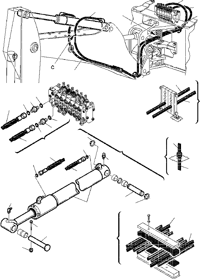
Запчасти Komatsu WB150PS-2N FIG. H7-A ГИДРОЛИНИЯ - ЦИЛИНДР РУКОЯТИ ГИДРАВЛИКА

Схема запчастей Komatsu WB150PS-2N - FIG. H7-A ГИДРОЛИНИЯ - ЦИЛИНДР РУКОЯТИ ГИДРАВЛИКА
5
4
15
1
8
2
1
4
3
5
14
5
2
3
6
4
8
9
5
5
7
4
4
5
5
4
15
11
10
12
13
14
FIT
1:1
100%

Артикул

Название

Примечание

Количество

1

500380113

UNION

2

855051119

O-RING

3

855051018

O-RING

4

392860006

HOSE

5

392860024

HOSE

6

312708621

BUSHING, HOSE

8

860030004

FITTING, GREASE

9

860010007

FITTING, GREASE

10

390597067

PIN, CYLINDER

11

801015584

BOLT

12

801880212

NUT, SELF-LOCKING

13

312708617

PIN, CYLINDER

14

802270017

RING, SNAP

15

855051018

O-RING

Выбрано товаров: 14