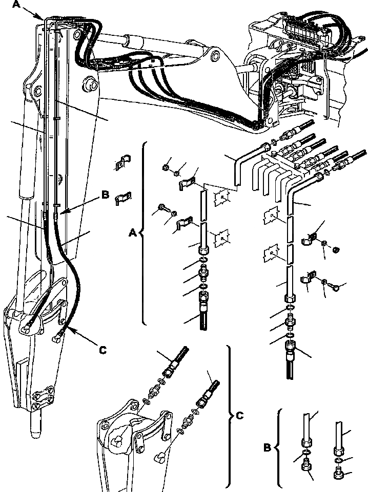
Запчасти Komatsu WB150PS-2N FIG. H87-A ГИДРОЛИНИЯ - МОЛОТ - РУКОЯТЬ - МОЛОТ ГИДРАВЛИКА

Схема запчастей Komatsu WB150PS-2N - FIG. H87-A ГИДРОЛИНИЯ - МОЛОТ - РУКОЯТЬ - МОЛОТ ГИДРАВЛИКА
2
1
19
2
7
6
1
13
3
8
7
16
6
2
4
10
5
9
1
10
3
4
13
11
12
13
11
14
14
2
1
16
18
15
17
FIT
1:1
100%

Артикул

Название

Примечание

Количество

1

312740113

PIPE

2

312740112

PIPE

3

312740610

CLAMP

4

802170002

WASHER

5

801015112

BOLT

6

312740609

CLAMP

7

802170002

WASHER

8

801015112

BOLT

9

500380064

UNION

10

855051021

O-RING

11

392400007

HOSE

12

500380062

UNION

13

855051018

O-RING

14

392860023

HOSE

15

500380304

PLUG

16

855051018

O-RING

17

500380305

PLUG

18

855051021

O-RING

Выбрано товаров: 18