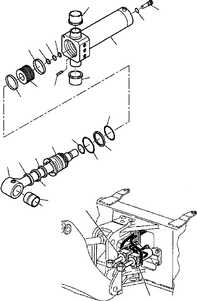
Запчасти Komatsu WB150PS-2N FIG. H7-A ЦИЛИНДР ПОВОРОТА СТРЕЛЫ ГИДРАВЛИКА

Схема запчастей Komatsu WB150PS-2N - FIG. H7-A ЦИЛИНДР ПОВОРОТА СТРЕЛЫ ГИДРАВЛИКА
10
12
22
9
8
7
19
11
10
6
23
18
17
14
5
16
13
20
3
15
21
4
1
2
FIT
1:1
100%

Артикул

Название

Примечание

Количество

1

395005017

R.H. BOOM SWING CYLINDER ASSEMBLY

2

395005018

L.H. BOOM SWING CYLINDER ASSEMBLY

3

395187012

ROD

4

390601058

BUSHING

5

395330011

HEAD, CYLINDER

6

395273018

PISTON

7

500468851

RING

8

500252046

RING

9

802250530

RING

10

500213004

BUSHING

11

395090011

CYLINDER, RIGHT

11

395091011

CYLINDER, LEFT

12

312705602

PLUG, CYLINDER

|$16

878000542

GASKET KIT

13

NSS

GASKET

14

NSS

O-RING

15

NSS

O-RING

16

NSS

RING

17

NSS

O-RING

18

NSS

GASKET

19

NSS

RING, WEAR

20

NSS

RING, SCRAPER

21

NSS

GASKET

22

NSS

O-RING

23

801456086

SCREW

Выбрано товаров: 25