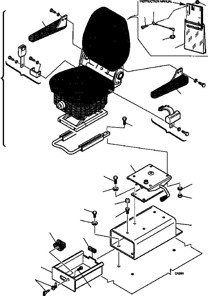
Запчасти Komatsu WB150PS-2N FIG. K7-A СИДЕНЬЕ ОПЕРАТОРА СУППОРТ - НАВЕС КАБИНА ОПЕРАТОРА И СИСТЕМА УПРАВЛЕНИЯ

Схема запчастей Komatsu WB150PS-2N - FIG. K7-A СИДЕНЬЕ ОПЕРАТОРА СУППОРТ - НАВЕС КАБИНА ОПЕРАТОРА И СИСТЕМА УПРАВЛЕНИЯ
20
21
20
4
19
22
1
2
3
6
2
5
9
8
10
7
24
12
23
13
11
15
16
14
17
18
FIT
1:1
100%

Артикул

Название

Примечание

Количество

2

816214681

SEAT BELT KIT

3

816101145

REST, LEFT ARM

4

816101144

REST, RIGHT ARM

5

312605137

STAND, OPERATOR'S SEAT

6

801220230

BOLT

7

801920104

NUT

8

802170001

WASHER

9

801015109

BOLT

10

802170002

WASHER

11

312605064

CABINET

12

801015134

BOLT

13

802170003

WASHER

14

312605066

DRAWER

15

3F0540602

INSERT, DRAWER PULL

16

855710058

GASKET

17

816214959

LOCK AND KEY

18

801015084

BOLT

19

312605793

RING

20

312605098

SCREW ASSEMBLY

21

312605792

RESTRAINT, MANUAL

22

312605794

POUCH, OPERATION MANUAL

23

801015084

BOLT

24

801920051

COVER

Выбрано товаров: 23