Запчасти Komatsu WB150PS-2N FIG. T7-A ГОРИЗОНТАЛЬН. ОПОРА РАБОЧЕЕ ОБОРУДОВАНИЕ

Схема запчастей Komatsu WB150PS-2N - FIG. T7-A ГОРИЗОНТАЛЬН. ОПОРА РАБОЧЕЕ ОБОРУДОВАНИЕ
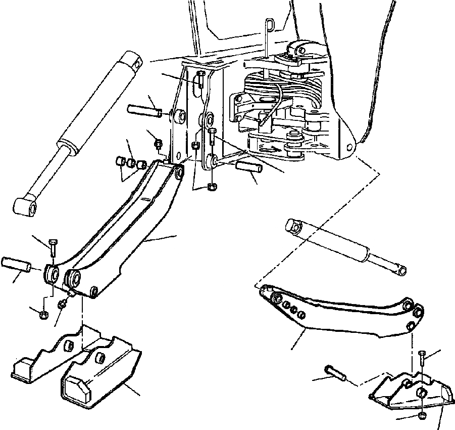
14
12
4
2
14
3
13
15
6
1
5
7
4
9
1
8
11
10
11
FIT
1:1
100%

Артикул

Название

Примечание

Количество

1

312702059

OUTRIGGER, STABILIZER

2

500250024

SPACER

3

500212014

BUSHING

4

860010007

FITTING, GREASE

5

390597056

PIN, CYLINDER/STABILIZER

6

801015584

BOLT

7

801880212

NUT, SELF-LOCKING

8

312302059

PIN, FOOT

9

801015582

BOLT

10

801880212

NUT, SELF-LOCKING

11

312702052

FOOT

12

390597057

PIN, CYLINDER/FRAME

13

390597058

PIN, STABILIZER/FRAME

14

801015584

BOLT

15

801880212

NUT, SELF-LOCKING

Выбрано товаров: 15