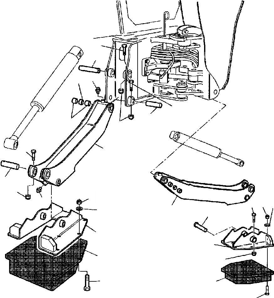
Запчасти Komatsu WB150PS-2N FIG. T7-A ГОРИЗОНТАЛЬН. ОПОРА - НА БОЛТАХ ПОДУШКА РАБОЧЕЕ ОБОРУДОВАНИЕ

Схема запчастей Komatsu WB150PS-2N - FIG. T7-A ГОРИЗОНТАЛЬН. ОПОРА - НА БОЛТАХ ПОДУШКА РАБОЧЕЕ ОБОРУДОВАНИЕ
18
16
4
2
18
3
19
1
6
5
7
15
4
15
9
14
1
14
8
11
12
10
13
13
12
17
11
FIT
1:1
100%

Артикул

Название

Примечание

Количество

1

312702059

OUTRIGGER, STABILIZER

2

500250024

SPACER

3

500212014

BUSHING

4

860010007

FITTING, GREASE

5

390597056

PIN, CYLINDER/STABILIZER

6

801015584

BOLT

7

801880212

NUT, SELF-LOCKING

8

312302059

PIN, FOOT

9

801015582

BOLT

10

801880212

NUT, SELF-LOCKING

11

312702055

FOOT

12

312702056

FOOT, RUBBERIZED

13

801015188

BOLT

14

802170005

WASHER

15

801880216

NUT, SELF-LOCKING

16

390597057

PIN, CYLINDER/FRAME

17

390597058

PIN, STABILIZER/FRAME

18

801015584

BOLT

19

801880212

NUT, SELF-LOCKING

Выбрано товаров: 19