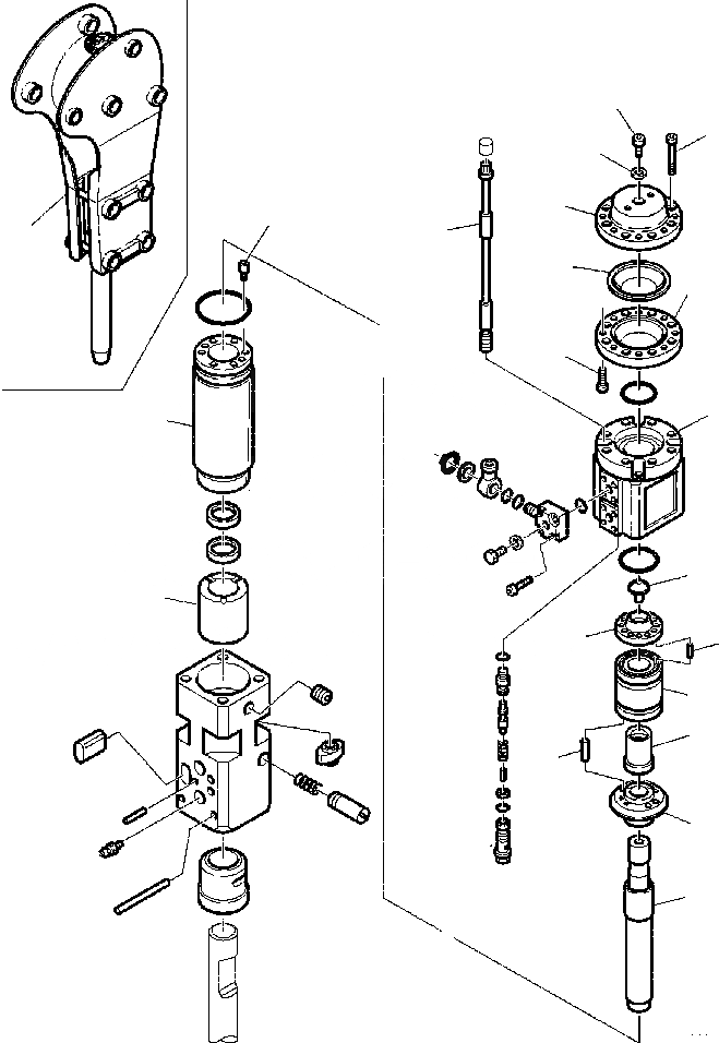
Запчасти Komatsu WB150PS-2N FIG. T78-A МОЛОТ M - НИЖН. ASSEMBLY РАБОЧЕЕ ОБОРУДОВАНИЕ

Схема запчастей Komatsu WB150PS-2N - FIG. T78-A МОЛОТ M - НИЖН. ASSEMBLY РАБОЧЕЕ ОБОРУДОВАНИЕ
5
3
4
19
6
7
8
10
20
2
11
15
16
18
1
9
21
17
14
13
12
FIT
1:1
100%

Артикул

Название

Примечание

Количество

2

827010263

SCREW

3

827010264

SEALING RING

4

827010421

UPPER SEMI CAP

5

827010278

SCREW

6

827010276

MEMBRANE

7

827010420

LOWER SEMI CAP

8

827010277

SCREW

9

827010274

TIE-ROD WITH RUBBER

10

827010413

M60 HEAD

11

827010418

CAP

12

827010417

COVER

13

827010419

PIN

14

827010414

BODY

15

827010416

DISTRIBUTOR

16

827010380

PIN

17

827010412

REDUCTION

18

827010356

PISTON

19

827010411

VALVE

20

827010409

CYLINDER

21

827010408

BUSHING

Выбрано товаров: 20