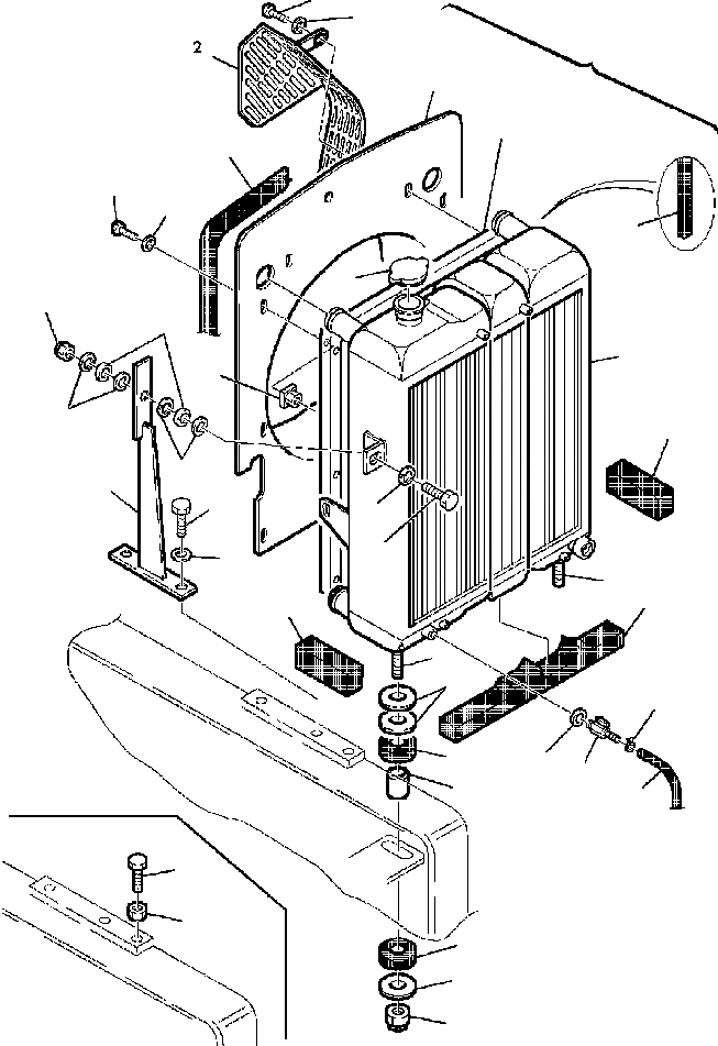
Запчасти Komatsu WB150PS-2N FIG. C-A РАДИАТОР СИСТЕМА ОХЛАЖДЕНИЯ

Схема запчастей Komatsu WB150PS-2N - FIG. C-A РАДИАТОР СИСТЕМА ОХЛАЖДЕНИЯ
28
8
7
1
4
7
8
5
6
25
2
9
27
15
27
21
24
23
22
14
16
14
19
11
18
17
10
31
11
12
13
32
3
26
20
15
12
30
29
FIT
1:1
100%

Артикул

Название

Примечание

Количество

1

312607124

COMPLETE RADIATOR

2

875600001

BODY, COMPLETE RADIATOR

3

875600002

SHROUD

4

875600003

SPACER, SHROUD (WALL)

5

875600004

GASKET

6

875600005

CAP, RADIATOR

7

801014046

BOLT

8

802070006

WASHER

9

875600006

NUT

10

875600007

SPACER

11

875600008

DAMPER, RUBBER

12

875600009

WASHER

13

801852412

NUT

14

801520066

STUD

15

312607767

GASKET

16

312607766

GASKET

17

312607130

COCK, DRAIN

18

855051111

O-RING

19

802660617

CLAMP

20

312607091

SUPPORT, RADIATOR

21

801015087

BOLT

22

802170001

WASHER

23

801015547

BOLT

24

802170001

WASHER

25

801880208

NUT, SELF-LOCKING

26

500411236

DAMPER, RUBBER

27

312607132

PROTECTION

28

801015067

BOLT

29

312607784

PIPE

30

801015593

BOLT

31

801920107

NUT

32

312607796

GASKET

Выбрано товаров: 32