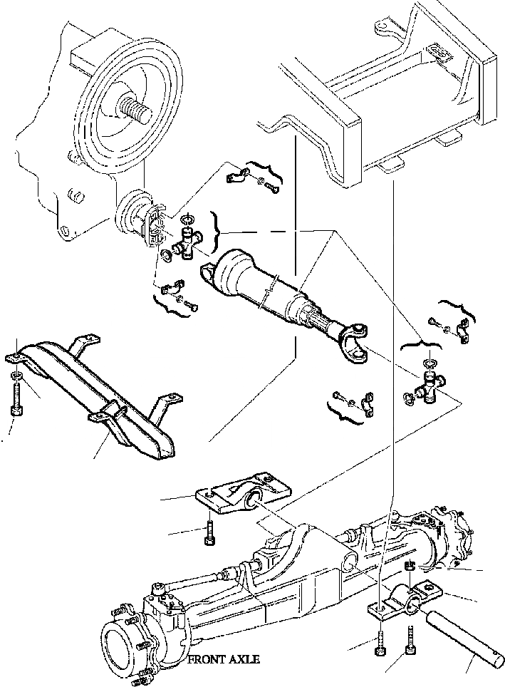
Запчасти Komatsu WB150PS-2N FIG. F-A ПЕРЕДН. КАРДАНН. ВАЛ И ПЕРЕДНИЙ МОСТ КРЕПЛЕНИЕ - WD СИЛОВАЯ ПЕРЕДАЧА И КОНЕЧНАЯ ПЕРЕДАЧА

Схема запчастей Komatsu WB150PS-2N - FIG. F-A ПЕРЕДН. КАРДАНН. ВАЛ И ПЕРЕДНИЙ МОСТ КРЕПЛЕНИЕ - WD СИЛОВАЯ ПЕРЕДАЧА И КОНЕЧНАЯ ПЕРЕДАЧА
10
11
3
8
2
7
8
8
9
9
1
3
5
4
6
FIT
1:1
100%

Артикул

Название

Примечание

Количество

1

312606601

SUPPORT, FRONT AXLE - REAR

2

312606600

SUPPORT, FRONT AXLE - FRONT

3

801015653

BOLT

4

801015584

BOLT

5

801880212

NUT, SELF-LOCKING

6

312606602

PIN

7

312606069

SHAFT

8

878000514

SHAFT MOUNTING KIT

9

312606067

PROTECTION (SHAFT GUARD)

10

801015136

BOLT

11

802170003

WASHER

Выбрано товаров: 11