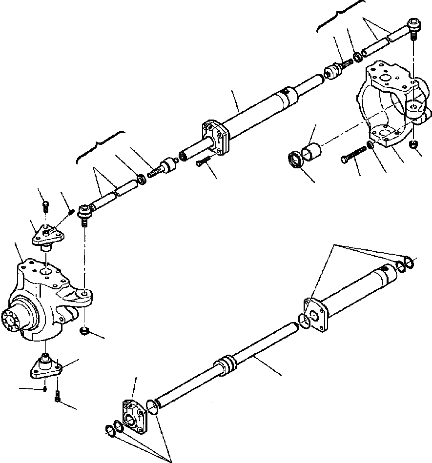
Запчасти Komatsu WB150PS-2N FIG. F-A ПЕРЕДНИЙ МОСТ - РУЛЕВ. УПРАВЛЕНИЕ РУКОЯТЬ СИЛОВАЯ ПЕРЕДАЧА И КОНЕЧНАЯ ПЕРЕДАЧА

Схема запчастей Komatsu WB150PS-2N - FIG. F-A ПЕРЕДНИЙ МОСТ - РУЛЕВ. УПРАВЛЕНИЕ РУКОЯТЬ СИЛОВАЯ ПЕРЕДАЧА И КОНЕЧНАЯ ПЕРЕДАЧА
1
4
3
2
5
17
1
2
3
11
4
14
15
16
8
6
7
20
9
10
19
11
12
18
21
13
8
19
FIT
1:1
100%

Артикул

Название

Примечание

Количество

1

CA0140265

STEERING ARM ASSEMBLY

2

CA0350878

JOINT, SPHERICAL

3

CA0070787

NUT

4

CA0351887

LINK

5

CA0139495

CYLINDER

6

CA0128534

BOLT

7

CA0024210

FITTING, GREASE

8

CA0126922

BOLT

9

CA0128880

PIN, KING

10

CA0138721

HOUSING, L.H. SWIVEL

11

CA0022431

NUT

12

CA0128881

PIN, KING

13

CA0024211

FITTING, GREASE

14

CA0138720

HOUSING, R.H. SWIVEL

15

CA0022129

NUT

16

CA0124748

BOLT

17

CA0109972

BUSHING

18

CA0049084

HEAD, CYLINDER

19

CA0049210

GASKET KIT

20

CA0116722

SEAL

|$21

CA0134363

SEAL

21

CA0049083

ROD

Выбрано товаров: 22