Запчасти Komatsu WB150PS-2N FIG. F8-A ЗАДН. МОСТ - PLANETARY ПРИВОД СИЛОВАЯ ПЕРЕДАЧА И КОНЕЧНАЯ ПЕРЕДАЧА

Схема запчастей Komatsu WB150PS-2N - FIG. F8-A ЗАДН. МОСТ - PLANETARY ПРИВОД СИЛОВАЯ ПЕРЕДАЧА И КОНЕЧНАЯ ПЕРЕДАЧА
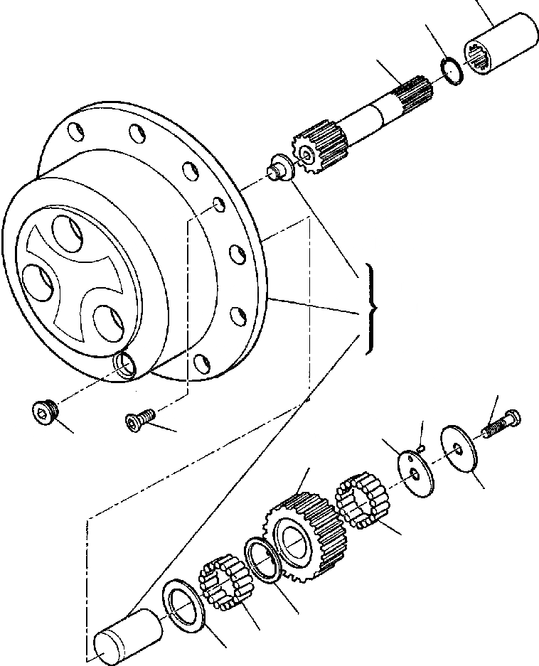
14
12
13
2
11
8
3
9
4
7
10
6
1
6
5
FIT
1:1
100%

Артикул

Название

Примечание

Количество

1

CA0138778

WASHER, THRUST

2

CA0066570

PLANETARY CARRIER KIT

3

CA0020490

BOLT

4

CA0125280

PLUG

5

CA0138689

WASHER, THRUST

6

CA0028301

BEARINGS, NEEDLE

7

CA0138736

GEAR

8

CA0028370

BEARINGS, NEEDLE

9

CA0138690

WASHER, THRUST

10

CA0138691

WASHER, THRUST

11

CA0125229

BOLT

12

CA0024877

RING, SNAP

13

CA0138735

HALF-SHAFT

14

CA0131299

BUSHING, COUPLING

Выбрано товаров: 14