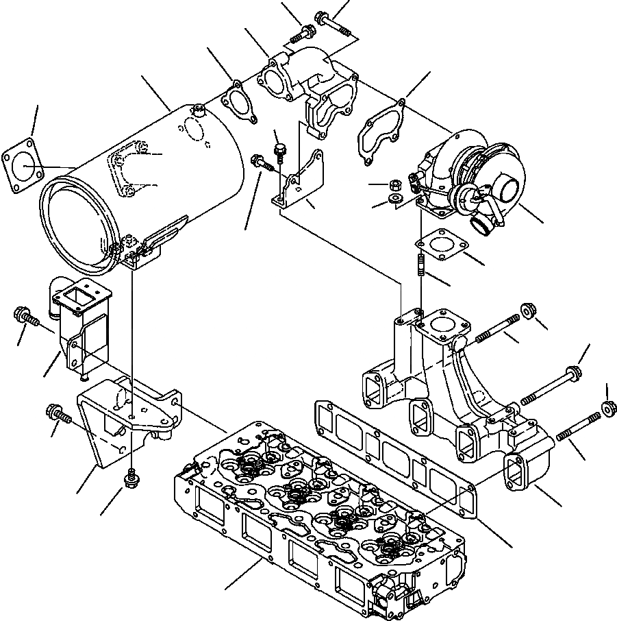
Запчасти Komatsu WB150PS-2N FIG. A-A TIER II ДВИГАТЕЛЬ - ВЫПУСКНОЙ КОЛЛЕКТОР, ТУРБОНАГНЕТАТЕЛЬ И ГЛУШИТЕЛЬ ДВИГАТЕЛЬ

Схема запчастей Komatsu WB150PS-2N - FIG. A-A TIER II ДВИГАТЕЛЬ - ВЫПУСКНОЙ КОЛЛЕКТОР, ТУРБОНАГНЕТАТЕЛЬ И ГЛУШИТЕЛЬ ДВИГАТЕЛЬ
18
13
11
12
15
14
10
5
23
22
4
24
17
21
7
19
6
1
20
19
25
9
1
8
2
16
3
26
FIT
1:1
100%

Артикул

Название

Примечание

Количество

1

YM12390713820

STUD, MANIFOLD

2

YM12390813130

MANIFOLD, EXHAUST

3

YM12390713110

GASKET, MANIFOLD

4

YM12391013900

BRACKET, SUPPORT

5

YM26106080162

BOLT

6

YM12390713720

BOLT

7

YM12941818320

STUD

8

YM12391013910

BRACKET, LOWER

9

YM26106100222

BOLT

10

YM12940013201

GASKET

|$11

YM12391013510

EXHAUST MUFFLER

11

YM12391013300

ELBOW, INLET

12

YM12947213520

GASKET

13

YM26106080452

BOLT

14

NSS

MUFFLER

15

YM12390118080

GASKET

16

YM26106080252

BOLT

17

YM26106080402

BOLT

18

YM26106080752

BOLT

19

YM26306100002

NUT

20

YM26106100252

BOLT

21

YM12390118090

GASKET

22

YM22117080000

WASHER

23

YM26703080002

NUT

24

YM12394518010

TURBOCHARGER

Выбрано товаров: 25