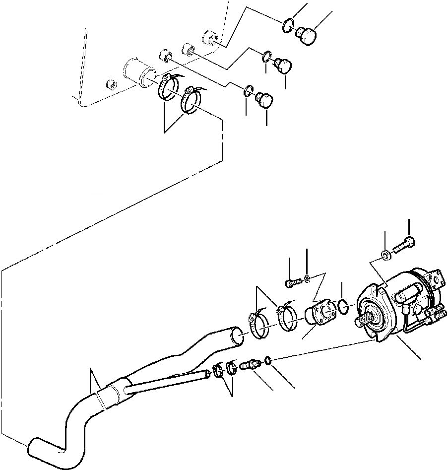
Запчасти Komatsu WB150PS-2N FIG. H-A ГИДРОЛИНИЯ - НАСОС ВСАСЫВ. ЛИНИЯ ГИДРАВЛИКА

Схема запчастей Komatsu WB150PS-2N - FIG. H-A ГИДРОЛИНИЯ - НАСОС ВСАСЫВ. ЛИНИЯ ГИДРАВЛИКА
16
15
14
13
14
13
9
2
3
7
6
5
9
4
8
1
12
11
10
FIT
1:1
100%

Артикул

Название

Примечание

Количество

2

801015187

BOLT

3

802170005

WASHER

4

312610074

FLANGE, SUCTION

5

855021834

O-RING

6

801105555

BOLT

7

802150512

WASHER

8

312610643

TUBE, OIL

9

07281-10809

CLAMP

10

07281-00419

CLAMP

11

312610644

UNION

12

885670003

O-RING

13

500365754

PLUG

14

885150119

O-RING

15

500365755

PLUG

16

885150217

O-RING

Выбрано товаров: 15