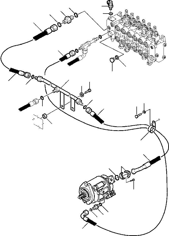
Запчасти Komatsu WB150PS-2N FIG. H-A ГИДРОЛИНИЯ - ЛИНИЯ ПОДАЧИ ГИДРАВЛИКА

Схема запчастей Komatsu WB150PS-2N - FIG. H-A ГИДРОЛИНИЯ - ЛИНИЯ ПОДАЧИ ГИДРАВЛИКА
18
22
17
19
23
16
4
21
20
12
14
16
15
13
13
11
10
8
13
24
9
8
5
6
7
2
1
3
4
FIT
1:1
100%

Артикул

Название

Примечание

Количество

1

500380070

UNION

2

855670015

O-RING

3

855051011

O-RING

4

392435013

HOSE

5

500357223

SPLIT FLANGE

6

855051222

O-RING

7

801105546

SCREW

8

392813002

HOSE

9

802660027

CLAMP

10

801015109

SCREW

11

802170002

WASHER

12

312610081

PIPE

13

855051018

O-RING

14

801015214

BOLT

15

802070018

WASHER

16

392800012

HOSE

17

500380113

UNION

18

855051119

O-RING

19

855051018

O-RING

20

500365502

PLUG

21

855150033

GASKET

22

200362190

QUICK DISCONNECT

23

855051111

O-RING

24

312610649

SPACER

Выбрано товаров: 24