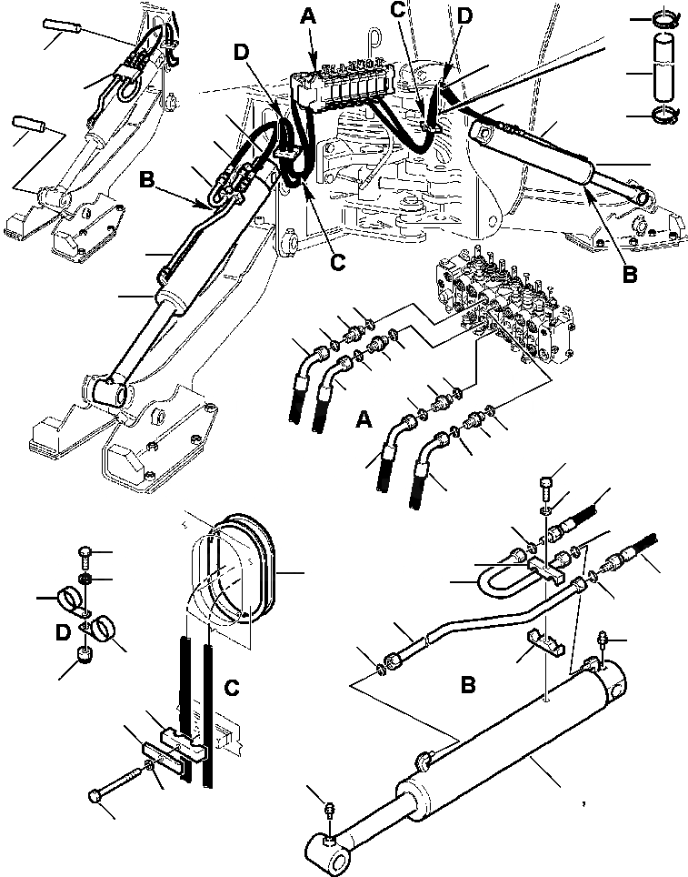
Запчасти Komatsu WB150PS-2N FIG. H78-A ОПОРА ТРУБЫ - УПРАВЛЯЮЩ. КЛАПАН - ЦИЛИНДРS ГИДРАВЛИКА

Схема запчастей Komatsu WB150PS-2N - FIG. H78-A ОПОРА ТРУБЫ - УПРАВЛЯЮЩ. КЛАПАН - ЦИЛИНДРS ГИДРАВЛИКА
21
4
28
20
27
5
5
7
21
4
29
8
11
7
10
2
1
3
5
2
1
2
1
3
3
4
2
1
13
3
4
4
14
5
6
26
23
12
19
25
8
5
22
6
7
26
9
22
12
24
16
15
9
10
11
18
17
FIT
1:1
100%

Артикул

Название

Примечание

Количество

1

500380111

UNION

2

855051119

O-RING

3

855051016

O-RING

4

392866001

HOSE

5

392866002

HOSE

6

855051016

O-RING

7

312707093

TUBE, LEFT

|$7

312707094

TUBE, RIGHT

8

312707095

TUBE, LEFT

|$9

312707096

TUBE, RIGHT

9

860010007

FITTING, GREASE

12

200390970

CLAMP, TUBING

13

801015089

BOLT

14

802170001

WASHER

15

312707601

PLATE

16

312707602

CLAMP, HOSE

17

801015549

BOLT

18

802150508

WASHER

19

312707609

PROTECTION, HOSE

20

312610629

PROTECTION, HOSE

21

885180005

CLAMP

22

802660500

CLAMP

23

801015110

BOLT

24

801880001

NUT, LOCK

25

802170001

WASHER

26

855051016

O-RING

Выбрано товаров: 26