Запчасти Komatsu WB150PS-2N FIG. A-A TIER II ДВИГАТЕЛЬ - МАСЛООХЛАДИТЕЛЬ И ФИЛЬТР., ВСАСЫВАЮЩАЯ ЛИНИЯAND DIPSTICK ДВИГАТЕЛЬ

Схема запчастей Komatsu WB150PS-2N - FIG. A-A TIER II ДВИГАТЕЛЬ - МАСЛООХЛАДИТЕЛЬ И ФИЛЬТР., ВСАСЫВАЮЩАЯ ЛИНИЯAND DIPSTICK ДВИГАТЕЛЬ
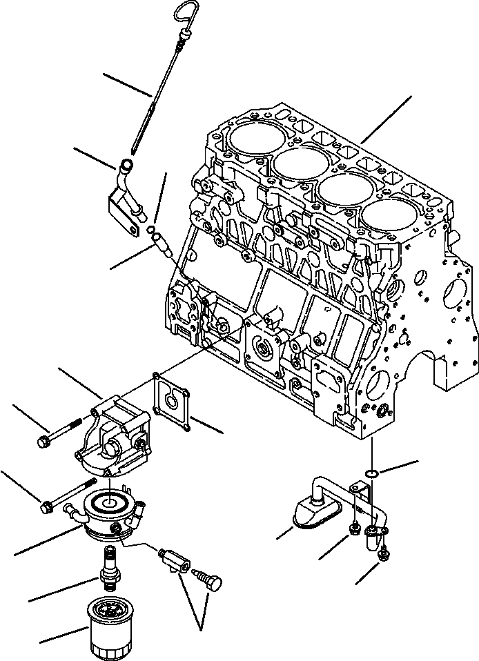
8
11
9
16
17
2
6
3
13
7
12
1
14
15
4
5
10
FIT
1:1
100%

Артикул

Название

Примечание

Количество

1

YM12391033011

COOLER, OIL

3

YM12390033060

GASKET

4

YM12391033100

FITTING

5

YM11962049290

DRAIN VALVE

6

YM26106080752

BOLT

7

YM26106081002

BOLT

8

YM12391034802

DIPSTICK

9

YM12394534810

GUIDE, DIPSTICK TUBE

10

YM11900535100

FILTER, OIL

12

YM12391035000

PIPE, OIL SUCTION

13

YM24314000180

O-RING

14

YM26106080122

BOLT

15

YM26106080162

BOLT

16

YM24311240100

O-RING

17

YM11926034810

GUIDE, DIPSTICK

Выбрано товаров: 15