Запчасти Komatsu WB150PS-2N FIG. K7-A КОНДИЦ. ВОЗДУХА - ВОЗДУХОВОДЫING И УПРАВЛ-ЕS КАБИНА ОПЕРАТОРА И СИСТЕМА УПРАВЛЕНИЯ

Схема запчастей Komatsu WB150PS-2N - FIG. K7-A КОНДИЦ. ВОЗДУХА - ВОЗДУХОВОДЫING И УПРАВЛ-ЕS КАБИНА ОПЕРАТОРА И СИСТЕМА УПРАВЛЕНИЯ
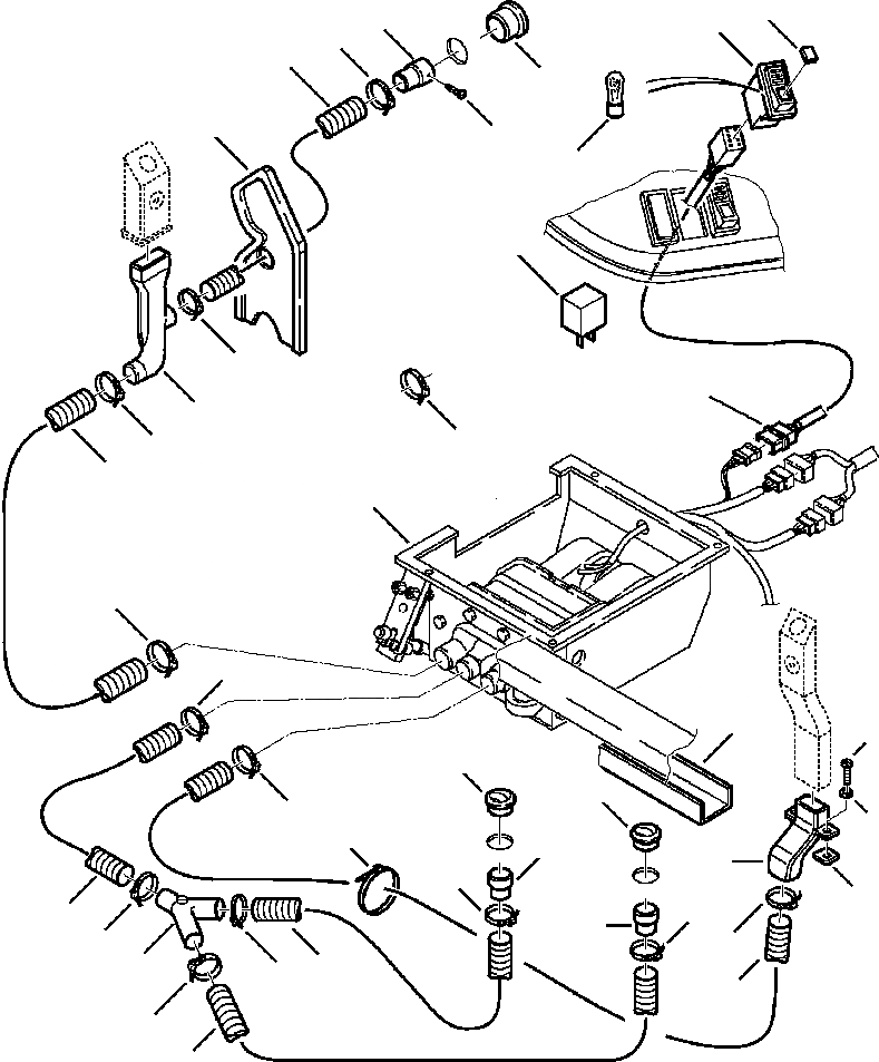
3
13
1
10
11
24
12
14
2
4
10
5
9
26
7
8
19
7
10
17
27
23
23
10
20
25
22
18
10
21
6
10
22
10
10
15
16
10
6
10
16
FIT
1:1
100%

Артикул

Название

Примечание

Количество

1

888011120

AC SWITCH

2

885141072

BULB

3

880011068

LENS, AC

4

885071022

RELAY, MINI

5

312649153

WIRING HARNESS, SWITCH

6

312649096

HOSE

7

802660014

CLAMP

8

312649097

HOSE

9

312649093

UNION, TEE

10

802660176

CLAMP

11

312649135

HOSE

12

312649127

BARRIER, HOSE (WALL)

13

312649133

UNION

14

801370040

SCREW, SELF TAPPING

15

312649094

TEE

16

312649095

HOSE

17

312649612

INSULATION

18

312649134

UNION, LEFT LATERAL

20

802148006

WASHER

21

885710507

GASKET

22

880011033

REDUCER

23

880011031

STUB

24

880011038

STUB

25

885180005

TIE STRAP

26

802660507

CLAMP

27

801250261

SCREW

Выбрано товаров: 26