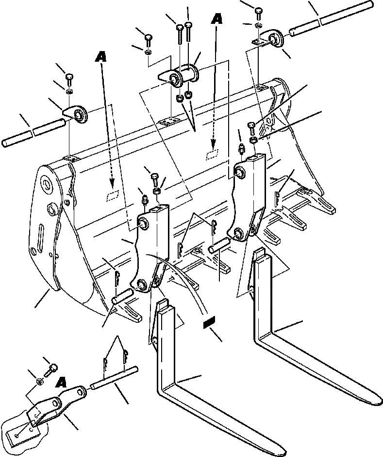
Запчасти Komatsu WB150PS-2N FIG. T-A MP КОВШ ВИЛЫ РАБОЧЕЕ ОБОРУДОВАНИЕ

Схема запчастей Komatsu WB150PS-2N - FIG. T-A MP КОВШ ВИЛЫ РАБОЧЕЕ ОБОРУДОВАНИЕ
1
3
7
7
4
3
4
5
3
6
4
11
2
12
1
10
8
9
11
15
12
10
15
9
15
14
21
13
17
14
20
19
4
13
16
18
FIT
1:1
100%

Артикул

Название

Примечание

Количество

|$0

878040230

MP BUCKET FORKS

1

312646611

PIN, FORK SUPPORT BRACKET

2

312646061

BRACKET, RIGHT SUPPORT

3

801015185

BOLT

4

802170005

WASHER

5

312646060

BRACKET, CENTER SUPPORT

6

312646062

BRACKET, LEFT SUPPORT

7

801015566

BOLT

8

801880001

NUT, LOCK

9

312646055

BRACKET, FORK SUPPORT

10

860010007

FITTING, GREASE

11

801015162

BOLT

12

801920107

NUT

13

312646059

FORK

14

312646609

PIN, FORK

15

802610118

PIN, COTTER

16

312646623

PIN, RETAINER

17

802610109

PIN, COTTER

18

312646637

BRACKET, RETAINER

19

801015184

BOLT

20

312614717

PLATE

Выбрано товаров: 21