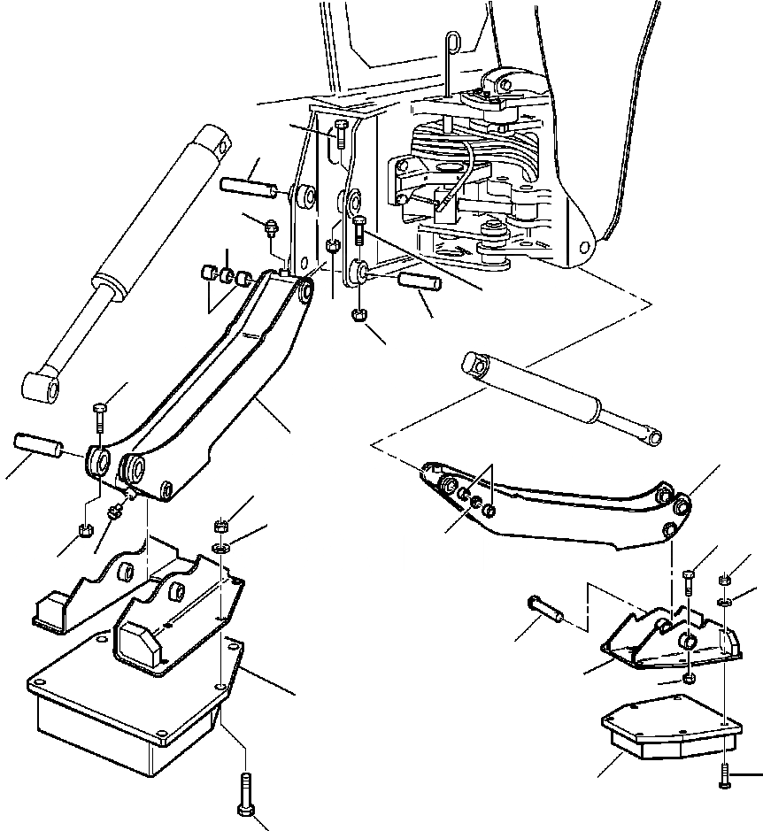
Запчасти Komatsu WB150PS-2N FIG. T-A ЭКСКАВАТ. ОПОРАS - НА БОЛТАХ РЕЗИН. ПОДУШКАS РАБОЧЕЕ ОБОРУДОВАНИЕ

Схема запчастей Komatsu WB150PS-2N - FIG. T-A ЭКСКАВАТ. ОПОРАS - НА БОЛТАХ РЕЗИН. ПОДУШКАS РАБОЧЕЕ ОБОРУДОВАНИЕ
18
16
4
2
18
3
17
19
6
1
3
1
14
5
15
9
2
15
4
7
14
8
11
10
12
13
12
13
19
FIT
1:1
100%

Артикул

Название

Примечание

Количество

1

312702059

OUTRIGGER, STABILIZER

2

500250024

SPACER

3

500212014

BUSHING

4

860010007

FITTING, GREASE

5

390597056

PIN, CYLINDER TO STABILIZER

7

801880212

NUT, LOCK

8

312302059

PIN, FOOT

9

801015582

BOLT

10

801880212

NUT, LOCK

11

312702055

PAD, METAL

12

312702056

PAD, RUBBERIZED

13

801015188

BOLT

14

802170005

WASHER

15

801880216

NUT, LOCK

16

390597057

PIN, CYLINDER TO FRAME

17

390597058

PIN, STABILIZER TO FRAME

19

801880212

NUT, LOCK

Выбрано товаров: 0