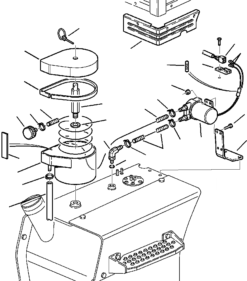
Запчасти Komatsu WB150PS-2N FIG. D-A САМОЗАПРАВОЧНЙ НАСОС ТОПЛИВН. БАК. AND КОМПОНЕНТЫ

Схема запчастей Komatsu WB150PS-2N - FIG. D-A САМОЗАПРАВОЧНЙ НАСОС ТОПЛИВН. БАК. AND КОМПОНЕНТЫ
16
22
15
21
20
23
24
12
3
5
13
9
9
5
2
10
14
7
1
4
5
6
5
8
19
11
17
18
FIT
1:1
100%

Артикул

Название

Примечание

Количество

1

312613650

SUPPORT, PUMP

2

801015063

BOLT

3

801880206

NUT

4

885121013

PUMP

5

802660003

CLAMP

6

312636612

HOSE

7

500358510

UNION, ELBOW

8

855051617

O-RING

9

306420641

HOSE

10

848200038

FILTER

11

312636050

CONTAINER

12

312636615

GASKET

13

312613649

STUD, CONTAINER

14

802148013

WASHER

15

312636614

COVER

16

802620006

PIN, COTTER

17

802660002

CLAMP

18

312636613

HOSE

19

500411505

GASKET

20

312605790

TRIM, CORNER

21

885201114

CONNECTOR, MALE

22

885201123

RECEPTACLE, FEMALE

23

885201124

PLATE, RECEPTACLE

24

885091023

FUSE

Выбрано товаров: 24