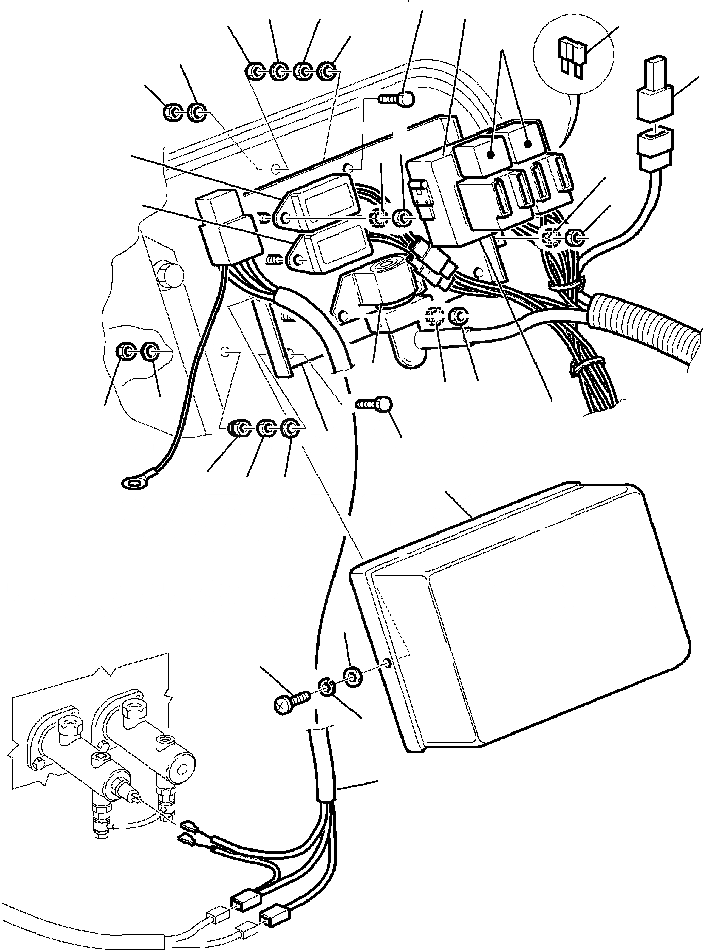
Запчасти Komatsu WB150PS-2N FIG. E-A ЭЛЕКТРИКА - УПРАВЛ-Е ДВИГАТЕЛЕМ КОРПУС - TIER I ЭЛЕКТРИКА

Схема запчастей Komatsu WB150PS-2N - FIG. E-A ЭЛЕКТРИКА - УПРАВЛ-Е ДВИГАТЕЛЕМ КОРПУС - TIER I ЭЛЕКТРИКА
12
13
14
9
13
10
14
5
18
22
19
7
7
6
20
21
6
7
18
8
17
11
15
16
1
13
14
4
2
3
23
6
17
FIT
1:1
100%

Артикул

Название

Примечание

Количество

1

885411424

COVER

2

801250043

BOLT

3

802120005

WASHER

4

802070005

WASHER, SPRING

5

885071022

RELAY

6

801703005

NUT

7

802120005

WASHER, SPRING

8

885411248

SUPPORT, FUSE

9

885411249

COVER

10

885091024

FUSE, 30A

|$11

885091018

FUSE, 60A

|$12

885091021

FUSE, 80A

11

885071039

PLATE

12

801014044

BOLT

13

801703006

NUT

14

802120006

WASHER, SPRING

15

801014047

BOLT

16

801852206

NUT, LOCK

17

801703006

NUT

18

802150506

WASHER

22

885270706

VALVE, DIODE

23

885270750

HARNESS, STOP LIGHT

Выбрано товаров: 22