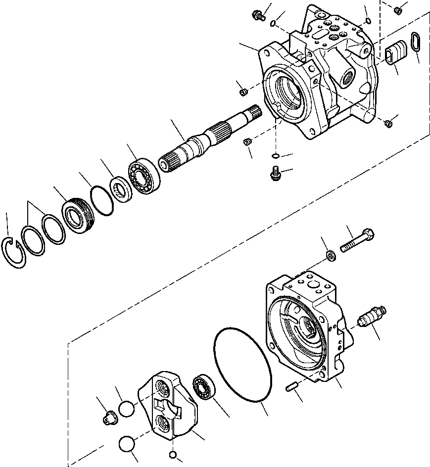
Запчасти Komatsu WB156-5 BACKHOE LOADER H-A ГИДР. НАСОС. КОЖУХS (/) заводской номер A- ГИДРАВЛИКА

Схема запчастей Komatsu WB156-5 BACKHOE LOADER - H-A ГИДР. НАСОС. КОЖУХS (/) заводской номер A- ГИДРАВЛИКА
2
3
8
4
1
25
2
24
2
17
18
6
20
2
21
5
19
22
23
10
11
27
14
26
12
9
7
13
15
16
14
FIT
1:1
100%

Артикул

Название

Примечание

Количество

|$1

708-1U-01162

PUMP, SUB ASSEMBLY

|$2

708-1U-04140

CASE

1

NSS

CASE, PUMP

2

NSS

PLUG

3

708-8E-16160

PLUG

4

07002-11023

O-RING

5

07040-11409

PLUG

6

07002-12434

O-RING

7

706-73-42370

O-RING

8

07000-B1009

O-RING

9

04020-01024

PIN

10

01010-61470

BOLT

11

01643-31445

WASHER

12

708-1U-11580

END CAP

13

708-1W-42120

BEARING

14

708-1U-13461

BALL, RETAINER

15

708-1U-13450

PLATE, SWASH

16

04260-01270

BALL

17

708-1U-12110

SHAFT

18

708-1W-42110

BEARING

19

708-1W-42140

CASE, SEAL

20

708-1W-42130

SEAL, OIL

21

07000-B2060

O-RING

22

708-1W-05820

SPACER KIT

N/I

NSS

SPACER, 2.3 MM

N/I

NSS

SPACER, 2.4 MM

N/I

NSS

SPACER, 2.5 MM

N/I

NSS

SPACER, 2.6 MM

N/I

NSS

SPACER, 2.7 MM

N/I

NSS

SPACER, 2.8 MM

N/I

NSS

SPACER, 2.9 MM

23

04065-06825

RING, SNAP

24

NSS

SLEEVE

25

NSS

RING

26

NSS

ORIFICE

27

20B-27-11210

BLEEDER

Выбрано товаров: 36