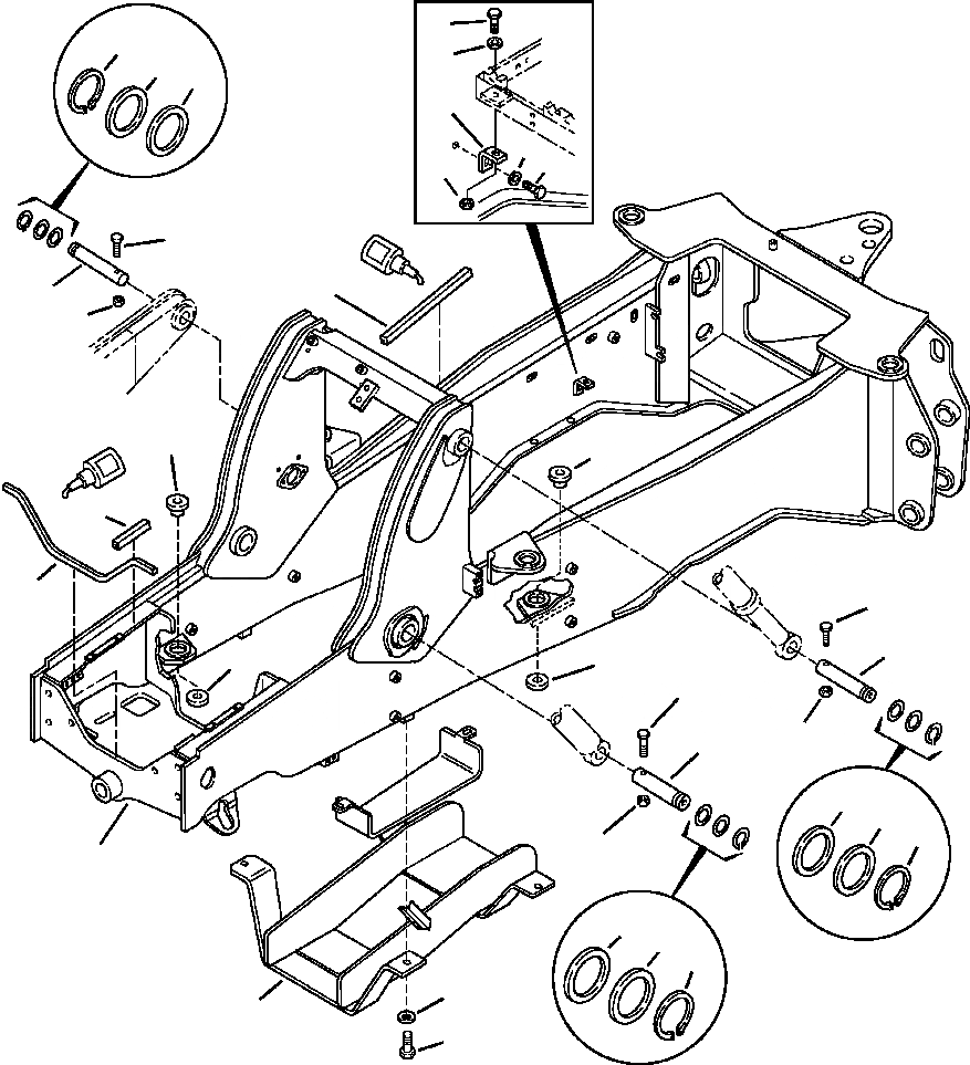
Запчасти Komatsu WB156-5 BACKHOE LOADER J-A ОСНОВН. РАМА И СОЕДИН-ЕS ОСНОВНАЯ РАМА И ЕЕ ЧАСТИ

Схема запчастей Komatsu WB156-5 BACKHOE LOADER - J-A ОСНОВН. РАМА И СОЕДИН-ЕS ОСНОВНАЯ РАМА И ЕЕ ЧАСТИ
4
12
3
16
14
2
3
4
5
9
22
6
11
18
19
21
20
9
8
19
18
10
11
7
14
16
12
11
1
15
17
13
25
23
24
FIT
1:1
100%

Артикул

Название

Примечание

Количество

1

42N-46-A2101

FRAME, MAIN

2

42N-43-11620

BRACKET, SUPPORT

3

01643-31032

WASHER

4

01016-51035

BOLT

5

21D-09-24190

NUT

6

42N-70-11240

PIN, 50 MM OD BOOM

7

42N-70-11250

PIN, 60 MM OD BOOM CYLINDER

8

42N-70-11260

PIN, 50 MM OD BUCKET CYLINDER

9

01011-81210

BOLT

10

01011-81220

BOLT

11

21D-09-24200

NUT

12

42D-70-12320

SNAP RING

13

42D-70-11830

SNAP RING

14

37B-09-4H003

SPACER

15

42N-70-11810

SHIM

16

37B-09-4H006

SPACER

17

42N-70-11820

SHIM

20

42N-62-15310

GASKET

21

42N-62-15780

GASKET

22

226-30-11160

GASKET

23

42N-46-12260

GUARD, UNDER

24

01016-51235

BOLT

25

01643-31232

WASHER

Выбрано товаров: 23