Качественные детали и логистика
Оригинальные и аналоговые запчасти с доставкой по России, Казахстану и Беларуси
©2022 PartSell ООО "Система" ИНН 2463123282 ОГРН 1212400004838
Центральный офис: г. Красноярск, Академика Киренского, д.87, пом.4
Телефон: 8 (800) 777-65-74 Email: zakaz@partsell.ru
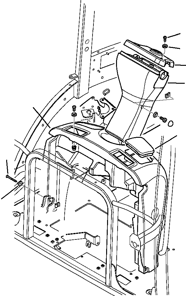
K8-A КАБИНА С КОНДИЦ. ПЕРЕДН. КОЛОНКА
№
Артикул
Название
Примечание
Количество
1
42N-54-A4660
COVER, FRONT
2
42N-54-18280
SCREW
3
42N-54-16121
WASHER
4
42N-54-A4680
COVER, SIDE
5
42N-54-A4690
COVER, COLUMN
6
42N-54-14130
COVER, PANEL
7
37A-09-1W027
BOLT
8
01640-20408
Выбрано товаров: 0