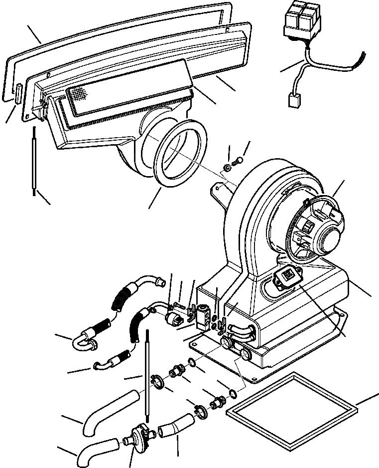
Запчасти Komatsu WB156-5 BACKHOE LOADER K-A КАБИНА С КОНДИЦ. БЛОК КОНДИЦИОНЕРА OPERATOR\XD S ОБСТАНОВКА И СИСТЕМА УПРАВЛЕНИЯ

Схема запчастей Komatsu WB156-5 BACKHOE LOADER - K-A КАБИНА С КОНДИЦ. БЛОК КОНДИЦИОНЕРА OPERATOR\XD S ОБСТАНОВКА И СИСТЕМА УПРАВЛЕНИЯ
1
19
3
28
2
29
30
7
27
4
24
23
22
18
20
5
26
21
8
6
25
13
17
12
9
11
10
14
16
15
FIT
1:1
100%

Артикул

Название

Примечание

Количество

|$1

NSS

AIR CONDITIONER ASSEMBLY

1

42N-07-11350

SEAL

2

42N-07-11360

SEAL

3

42N-07-11530

AIR DUCT

4

42N-07-11370

SEAL

5

42N-07-11510

AIR CONDITIONER

6

395-S61-1260

O-RING

7

42N-07-11930

FAN

8

395-S61-1310

RESISTOR

9

42N-07-11380

SEAL

10

42N-07-11880

HOSE

11

42N-07-11840

CLAMP

12

42N-07-11390

CONNECTOR

13

42N-07-11410

O-RING

14

42N-07-11850

HOSE

15

42N-07-11820

VALVE, COOLANT

16

42N-07-11520

HOSE

17

42N-07-11860

LEVER

18

395-S61-1270

O-RING

19

42N-07-11590

HARNESS

20

42N-07-11230

FLANGE

21

42N-07-11560

VALVE, EXPANSION

22

NSS

SCREW (M5x35 SHCS)

23

42N-07-11540

FLANGE

24

42N-07-11550

SWITCH, PRESSURE

25

42N-07-11970

HOSE (EVAPORATOR TO FILTER)

26

42N-07-11960

HOSE (COMPRESSOR TO EVAPORATOR)

27

42N-07-11870

LEVER

28

42N-07-11910

FILTER, RETURN AIR

29

NSS

BOLT (M6x16)

30

NSS

WASHER (D6x24x2)

Выбрано товаров: 31