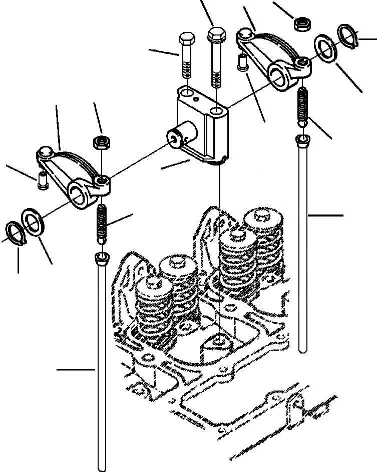
Запчасти Komatsu WB156-5 BACKHOE LOADER A9-AA РЫЧАГ КОРОМЫСЛА ДВИГАТЕЛЬ

Схема запчастей Komatsu WB156-5 BACKHOE LOADER - A9-AA РЫЧАГ КОРОМЫСЛА ДВИГАТЕЛЬ
13
8
6
11
12
4
10
2
9
7
5
1
3
14
10
11
14
FIT
1:1
100%

Артикул

Название

Примечание

Количество

|$0

6736-41-5110

SUPPORT, ROCKER LEVER

1

6732-41-5120

SUPPORT, ROCKER LEVER

N/I

NSS

SHAFT, ROCKER LEVER

2

6732-41-5200

LEVER, ROCKER INTAKE

N/I

NSS

LEVER, ROCKER

3

6735-41-5560

SCREW, ROCKER LEVER ADJUSTING

4

6735-41-5550

NUT, HEAVY HEXAGON (3/8-24 UNF)

5

NSS

INSERT, ROCKER LEVER

6

6732-41-5400

LEVER, ROCKER EXHAUST

N/I

NSS

LEVER, ROCKER

7

6735-41-5560

SCREW, ROCKER LEVER ADJUSTING

8

6735-41-5550

NUT, HEAVY HEXAGON (3/8-24 UNF)

9

NSS

INSERT, ROCKER LEVER

10

6732-41-5160

WASHER, PLAIN (M19)

11

6732-41-5170

RING, RETAINING

12

6732-41-5180

BOLT (M8-1.25x75)

13

6732-11-1640

BOLT

14

6732-41-3111

ROD, PUSH

Выбрано товаров: 18