Запчасти Komatsu WB156PS-5 K-A КОНДИЦ. СИСТЕМА КОМПРЕССОР МОНТАЖНЫЙ КАРКАС OPERATORS ОБСТАНОВКА И УПРАВЛ-ЕS

Схема запчастей Komatsu WB156PS-5 - K-A КОНДИЦ. СИСТЕМА КОМПРЕССОР МОНТАЖНЫЙ КАРКАС OPERATORS ОБСТАНОВКА И УПРАВЛ-ЕS
3
1
2
4
2
5
4
5
7
6
8
11
7
2
8
1
9
2
2
10
12
13
17
16
15
14
18
FIT
1:1
100%

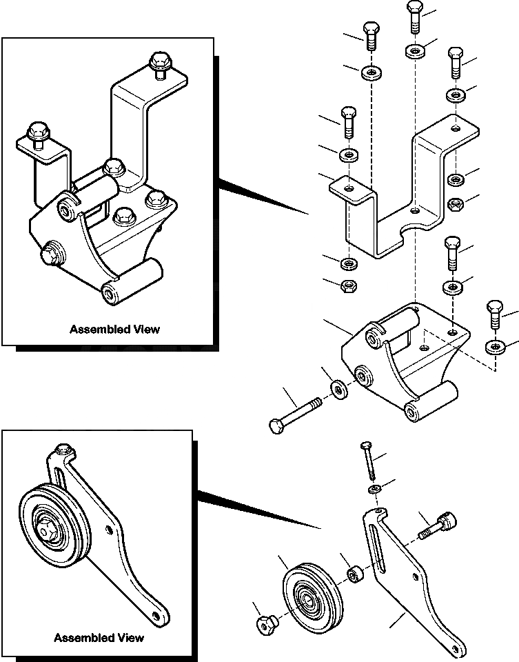
Артикул

Название

Примечание

Количество

1

01010-81025

BOLT

2

01643-31032

WASHER

3

01010-81030

BOLT

4

01010-80835

BOLT

5

37A-09-4A009

WASHER

6

2938-07-1290

BRACKET

7

01643-30823

WASHER

8

01696-00807

NUT

9

2938-07-1300

BRACKET, COMPRESSOR

10

01010-81075

BOLT

11

01010-81040

BOLT

12

01010-80690

BOLT

13

37B-94-21980

WASHER

14

2938-07-1370

NUT, PULLEY

15

37B-94-21940

PULLEY, AIR CONDITIONER

16

2938-07-1350

SPACER

17

2938-07-1360

BOLT, PULLEY

18

2938-07-1280

BRACKET, TENSIONER

N/I

2938-03-2121

BRACKET, AC CONDENSER

Выбрано товаров: 19