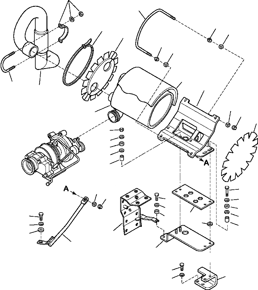
Запчасти Komatsu WB156PS-5 B-A ГЛУШИТЕЛЬ КОМПОНЕНТЫ ДВИГАТЕЛЯ

Схема запчастей Komatsu WB156PS-5 - B-A ГЛУШИТЕЛЬ КОМПОНЕНТЫ ДВИГАТЕЛЯ
16
12
13
21
14
20
13
14
18
16
1
15
14
13
11
19
10
23
8
27
28
9
14
13
23
5
8
4
29
25
22
27
26
26
28
17
27
24
2
7
3
6
FIT
1:1
100%

Артикул

Название

Примечание

Количество

1

42N-02-A2271

BRACKET, MUFFLER

2

42N-02-A2280

MOUNT, RIGHT

3

42N-02-12831

MOUNT, LEFT

4

01643-31032

WASHER

5

01016-51035

BOLT

N/I

01016-51040

BOLT

6

01643-31232

WASHER

7

01010-81235

BOLT

9

01010-81065

BOLT

10

01580-11008

NUT

11

42N-02-12213

MUFFLER

12

42N-02-11542

TIE ROD

13

01580-10806

NUT

14

01643-30823

WASHER

15

42N-02-11234

PIPE, FLEX

16

2938-02-1111

CLAMP, MUFFLER (2.75 IN)

17

42N-02-A2720

SHIELD, TURBO

18

42N-02-12610

HEAT PROTECTION

19

42N-02-11620

HEAT PROTECTION

20

42N-02-11630

HEAT PROTECTION

21

42N-02-11830

TIE STRAP

22

37C-43-11120

SPACER

23

37A-09-4A013

WASHER

24

2938-02-4160

STRUT, MUFFLER

25

01010-81040

BOLT

26

01643-31032

WASHER

27

01640-21626

WASHER

28

2938-02-4150

ISOLATOR TUBE

29

2938-02-4110

RUBBER INSERT

Выбрано товаров: 29