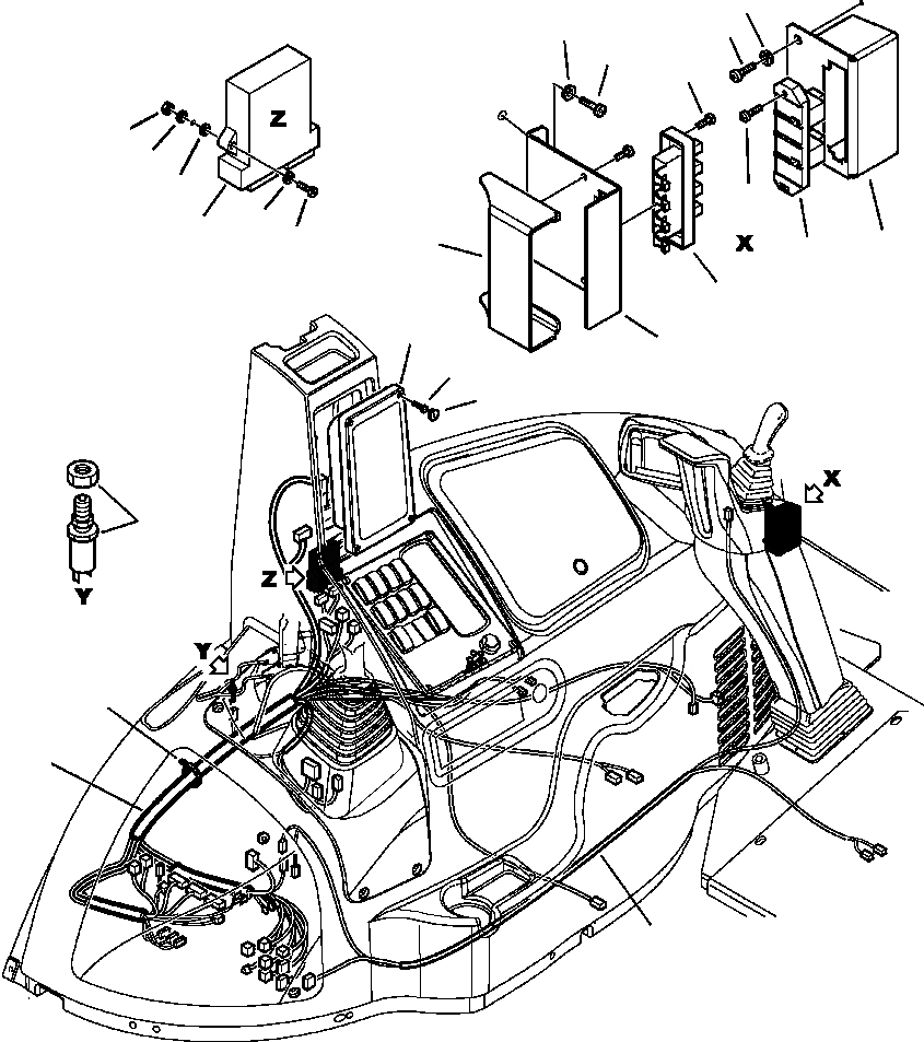
Запчасти Komatsu WB156PS-5 E-A КАБИНА ЭЛЕКТРОПРОВОДКА PPC ПРОВОДКА ЭЛЕКТРИКА

Схема запчастей Komatsu WB156PS-5 - E-A КАБИНА ЭЛЕКТРОПРОВОДКА PPC ПРОВОДКА ЭЛЕКТРИКА
11
10
15
14
8
21
20
20
8
20
18
16
19
9
7
12
4
13
5
6
17
3
2
1
FIT
1:1
100%

Артикул

Название

Примечание

Количество

1

42N-06-15190

HARNESS, PPC

3

08034-20519

TIE STRAP

4

42N-06-15280

INDICATOR PANEL

5

42N-54-15980

SCREW

6

42N-54-15250

COVER, SCREW

7

21D-64-14340

CONTACT, FIXED

8

42N-54-17210

SCREW

9

42N-54-15310

BOX, CONTACT

10

42N-54-17190

SCREW

11

01640-20408

WASHER

12

42N-54-15320

CONTACT, MOVABLE

13

42N-54-15330

PLATE, MOUNTING

14

42N-54-17110

SCREW

15

01640-20610

WASHER

16

42N-54-15340

BRACKET

17

395-06-11380

MICROSWITCH

18

42N-06-12410

CONTROLLER, TRANSMISSION SHIFT

19

37A-09-1W061

SCREW

20

01640-20610

WASHER

21

01580-10605

NUT

Выбрано товаров: 20