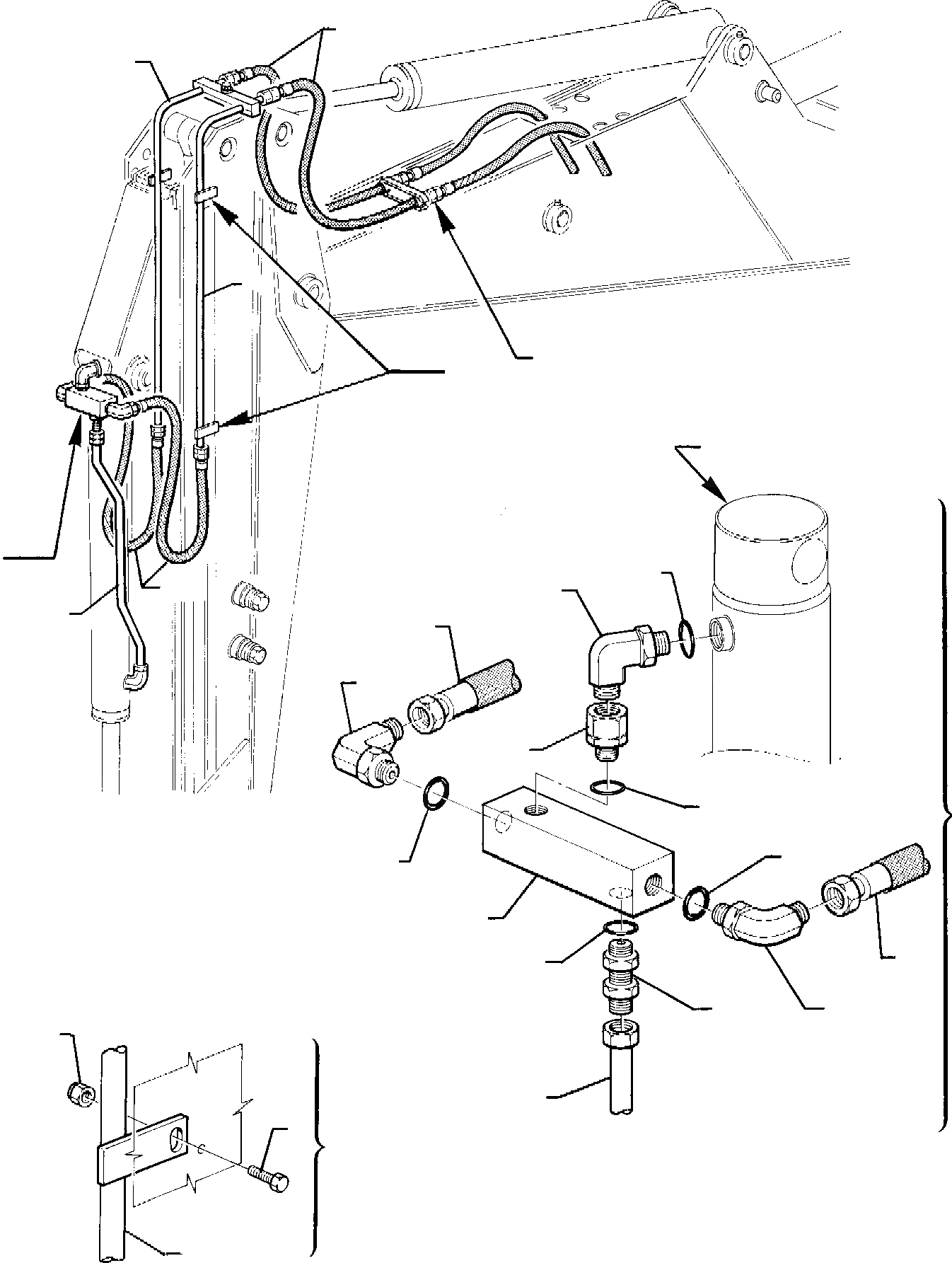
Запчасти Komatsu WB91R-1 WB93R-1 ГИДРОЛИНИЯ (ЦИЛИНДР КОВША) (ФИКСИР. РУКОЯТЬ) РАБОЧЕЕ ОБОРУДОВАНИЕ

Схема запчастей Komatsu WB91R-1 WB93R-1 - ГИДРОЛИНИЯ (ЦИЛИНДР КОВША) (ФИКСИР. РУКОЯТЬ) РАБОЧЕЕ ОБОРУДОВАНИЕ
1
B
2
A
B
A
A
B
3
13
1
12
4
1
8
10
11
9
9
7
1
15
14
8
6
4
5
3
FIT
1:1
100%

Артикул

Название

Примечание

Количество

1

392069005

HOSE

2

312339050

PIPE

3

312339051

PIPE

4

312339063

PIPE

5

801014095

BOLT

6

801852210

NUT

7

312339612

BLOCK

8

500352101

ELBOW

9

855051617

O-RING

10

500358120

ELBOW

11

855051617

O-RING

12

500352105

ELBOW

13

855051617

O-RING

14

312339611

UNION

15

855051617

O-RING

Выбрано товаров: 15