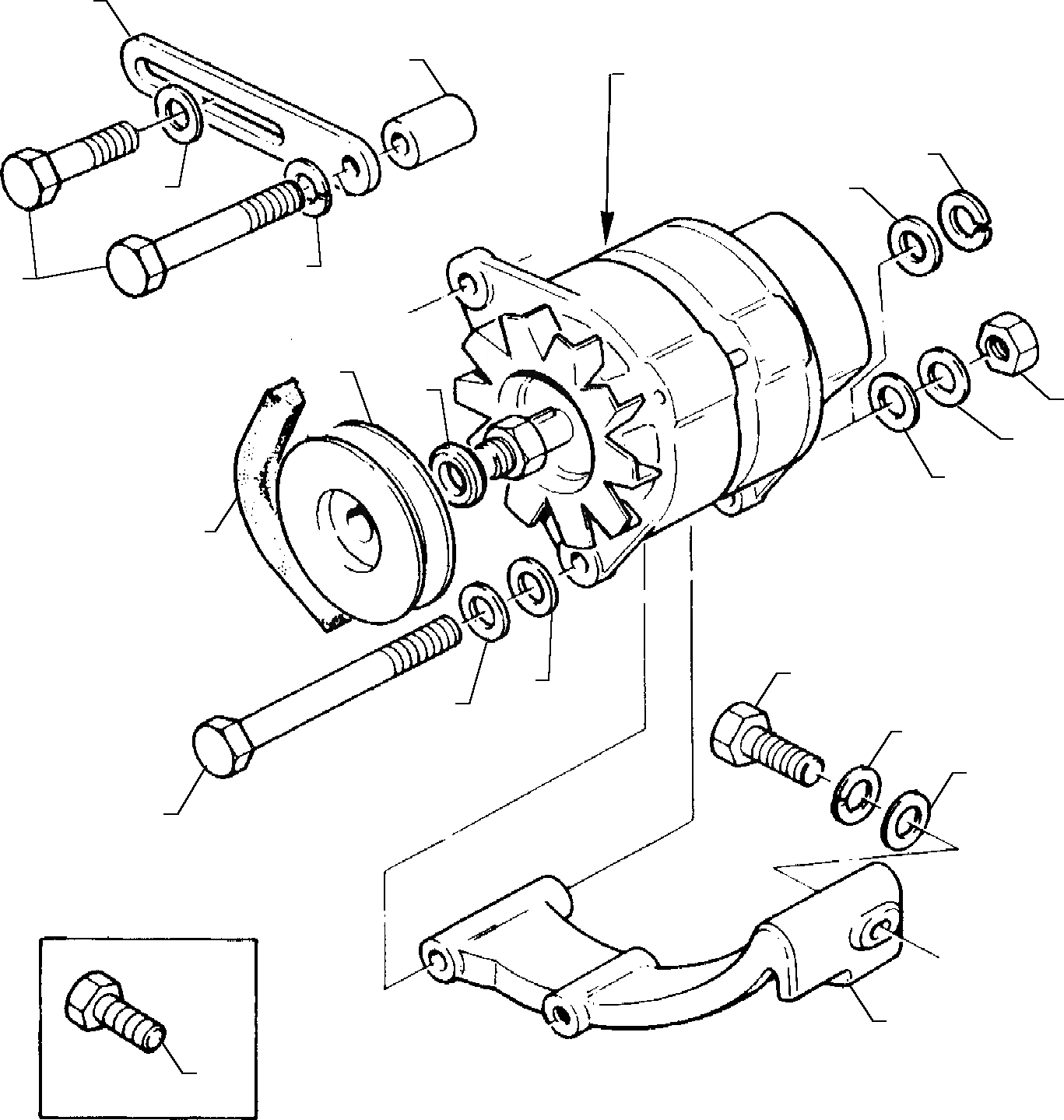
Запчасти Komatsu WB91R-1 WB93R-1 ГЕНЕРАТОР И КРЕПЛЕНИЕS (TURBO ДВИГАТЕЛЬ) ГОЛОВКА ЦИЛИНДРОВ

Схема запчастей Komatsu WB91R-1 WB93R-1 - ГЕНЕРАТОР И КРЕПЛЕНИЕS (TURBO ДВИГАТЕЛЬ) ГОЛОВКА ЦИЛИНДРОВ
14
A
20
24
23
16
19
15
2
36
11
12
13
3
5
13
12
7
6
10
4
29
FIT
1:1
100%

Артикул

Название

Примечание

Количество

\0

P2871A141

ALTERNATOR

2

P2871W010

PULLEY

3

P2614B653

V-BELT

4

P3821D006

BRACKET

5

PK0746453

BOLT

6

PK0920004

WASHER

7

PK0920054

WASHER

10

PK0096234

BOLT

11

PK0576002

NUT

12

PK0920003

WASHER

13

PK0920481

SPACER

14

P36178128

LINK

15

P2314H004

BOLT

16

P33115129

WASHER

19

PK0920054

WASHER

20

P33245132

SPACER

23

PK0920497

SPACER

24

PK0920053

WASHER

29

PK0096233

BOLT

36

P2871W008

SPACER

Выбрано товаров: 20