Запчасти Komatsu WB91R-1 WB93R-1 ВОЗДУХООЧИСТИТЕЛЬ, ГЛУШИТЕЛЬ И РАДИАТОР (ASPIRATED ДВИГАТЕЛЬ) КОМПОНЕНТЫ ДВИГАТЕЛЯ И ЭЛЕКТРИКА

Схема запчастей Komatsu WB91R-1 WB93R-1 - ВОЗДУХООЧИСТИТЕЛЬ, ГЛУШИТЕЛЬ И РАДИАТОР (ASPIRATED ДВИГАТЕЛЬ) КОМПОНЕНТЫ ДВИГАТЕЛЯ И ЭЛЕКТРИКА
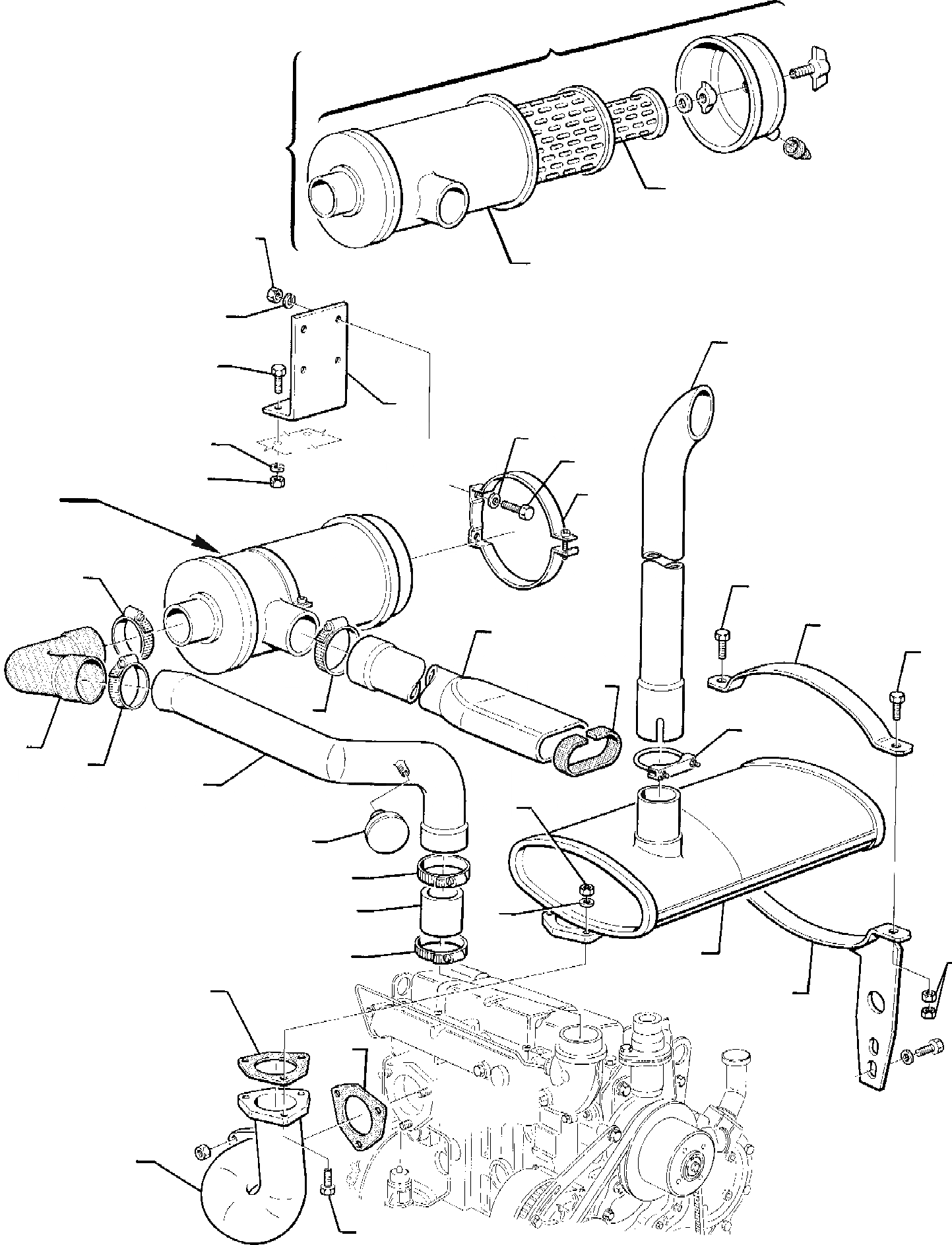
18
13
A
A
20
17
19
16
21
10
9
15
11
14
12
4
26
24
7
27
8
6
23
5
1
2
33
3
1
35
32
22
1
28
30
25
34
29
31
FIT
1:1
100%

Артикул

Название

Примечание

Количество

1

802660014

HOSE-CLAMP

2

312207112

MANIFOLD, INTAKE

3

885261004

CLOGGING INDICATOR

4

802660178

HOSE-CLAMP

5

PKPI02669

SLEEVE

6

802660190

HOSE-CLAMP

7

312207745

PIPE

8

855711071

GASKET

9

312207730

SUPPORT

10

801014094

BOLT

11

802120010

SPRING WASHER

12

801703209

NUT

13

PK2651842

HOSE-CLAMP

14

801014067

BOLT

15

802070008

WASHER

16

802120008

SPRING WASHER

17

801703208

NUT

18

P2652C016

AIR FILTER, ASSY.

19

PKPI02478

ELEMENT

20

841101105

ELEMENT, SAFETY

21

312207642

PIPE

22

312207069

MUFFLER

23

802670075

HOSE-CLAMP

24

312207105

COLLAR

25

312207109

MUFFLER SUPPORT

26

801014095

BOLT

27

801014097

BOLT

28

801703209

NUT

29

312207111

MANIFOLD, EXHAUST

30

P3681V502

GASKET

31

801014095

BOLT

32

802150010

SPRING WASHER

33

801703209

NUT

34

P36822154

GASKET

35

852950010

HOSE

Выбрано товаров: 35