Запчасти Komatsu WB91R-2 СИСТЕМА СМАЗКИ МАСЛ. СИСТЕМА ДВИГАТЕЛЬ

Схема запчастей Komatsu WB91R-2 - СИСТЕМА СМАЗКИ МАСЛ. СИСТЕМА ДВИГАТЕЛЬ
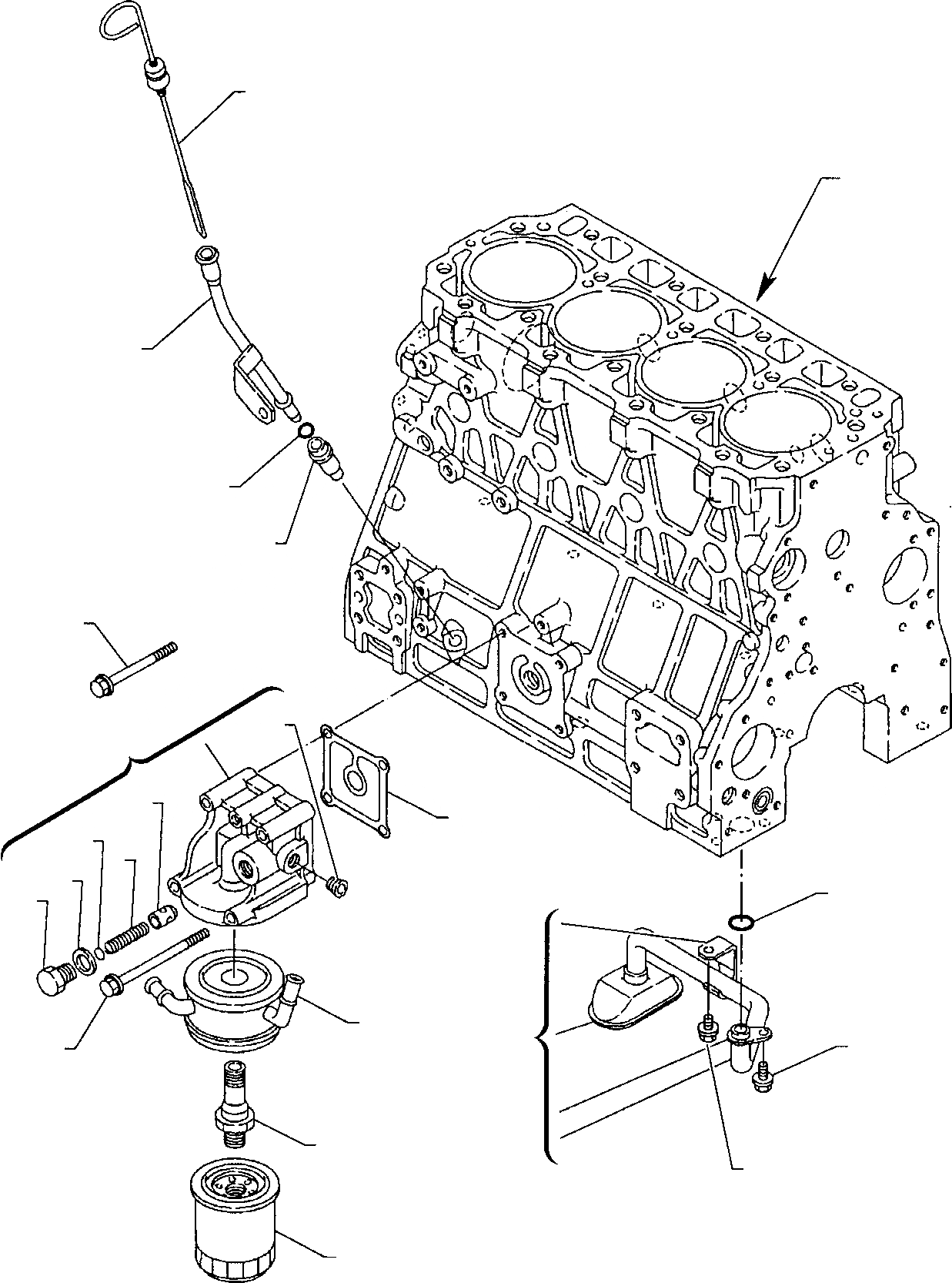
13
A
15
16
14
12
9
2
6
10
4
7
8
23
5
1
25
26
18
11
24
17
FIT
1:1
100%

Артикул

Название

Примечание

Количество

\0

871070017

Aspirated engine

1

YM123910-33010

Lub. Oil cooler

2

YM123910-33040

Bracket cooler

4

YM121850-35230

Shim

5

YM124223-35510

Retainer

6

YM121850-35531

Valve

7

YM121952-39830

Spring

8

YM23414-180000

Gasket

9

YM23871-020000

Plug

10

YM123900-33060

Packing

11

YM123910-33100

Bolt

12

YM26106-080752

Bolt

13

YM123910-34801

Dipstick

14

YM119260-34810

Guide

15

YM123910-34810

Pipe

16

YM24311-240100

O-Ring

17

YM119005-35100

Strainer

18

YM123910-35000

Pipe

23

YM24314-000180

O-Ring

24

YM26106-080122

Bolt

25

YM26106-080162

Bolt

26

YM26106-081152

Bolt

Выбрано товаров: 22