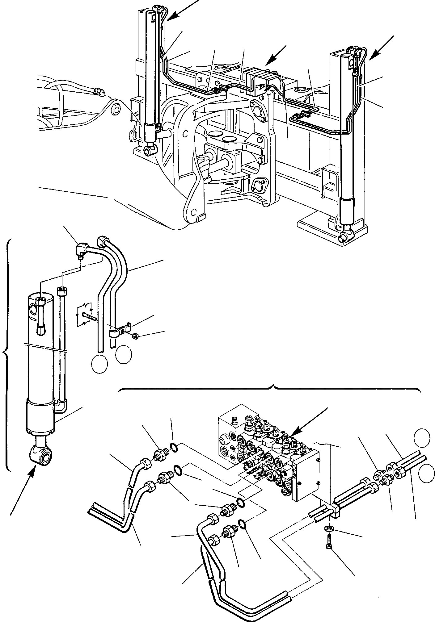
Запчасти Komatsu WB91R-2 ГИДРОЛИНИЯ (ЦИЛИНДР ВЕРТИК. ОПОРЫ) ГИДРАВЛИКА РАБОЧЕЕ ОБОРУДОВАНИЕ

Схема запчастей Komatsu WB91R-2 - ГИДРОЛИНИЯ (ЦИЛИНДР ВЕРТИК. ОПОРЫ) ГИДРАВЛИКА РАБОЧЕЕ ОБОРУДОВАНИЕ
A
A
B
B
8
B
K
5
6
K
10
X
4
X
7
B
7
3
7
8
9
10
14
15
16
2
1
8
11
3
2
1
11
10
5
13
4
2
1
12
6
A
FIT
1:1
100%

Артикул

Название

Примечание

Количество

1

500361185

Union

2

885051119

O Ring

3

312707058

Tube

4

312707060

Tube

5

312707059

Tube

6

312707061

Tube

7

312707054

Tube

8

312707056

Tube

9

312707055

Tube

10

312707057

Tube

11

500351610

Union

12

801015066

Bolt

13

802170000

Washer

14

200397430

Fastener

15

801880208

Nut

16

395010003

Jack

Выбрано товаров: 16