Запчасти Komatsu WB91R-2 ГИДРОЛИНИЯ (МОЛОТ) (/) ГИДРАВЛИКА РАБОЧЕЕ ОБОРУДОВАНИЕ

Схема запчастей Komatsu WB91R-2 - ГИДРОЛИНИЯ (МОЛОТ) (/) ГИДРАВЛИКА РАБОЧЕЕ ОБОРУДОВАНИЕ
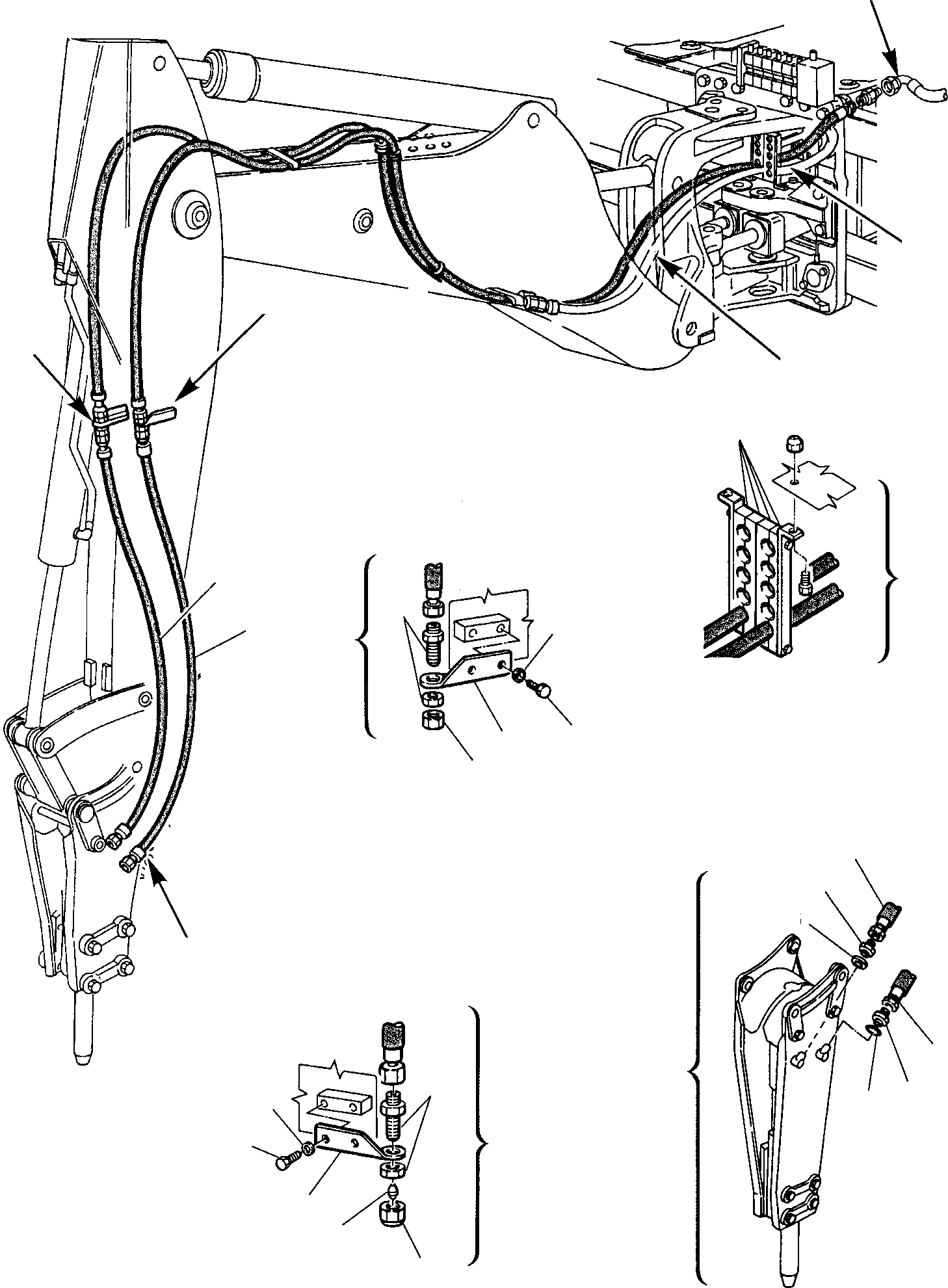
10
11
7
6
4
2
1
5
15
14
10
12
11
13
16
9
3
2
1
8
A
A
B
B
C
C
D
A
D
A
B
B
FIT
1:1
100%

Артикул

Название

Примечание

Количество

1

801015108

Bolt

2

802150510

Washer

3

312343609

Support, L.H.

4

312343608

Support, R.H.

5

500352755

Union, assy

6

500361604

Plug

7

500360104

Nut

8

500357956

Union, assy

9

200343270

Plug

10

852300060

Hose

11

852010066

Hose

12

500359414

Union

13

885150063

Gasket

14

500351720

Union

15

855051119

O Ring

16

312343613

Clamp

Выбрано товаров: 16