Запчасти Komatsu WB91R-2 ГЕНЕРАТОР ДВИГАТЕЛЬ

Схема запчастей Komatsu WB91R-2 - ГЕНЕРАТОР ДВИГАТЕЛЬ
A
B
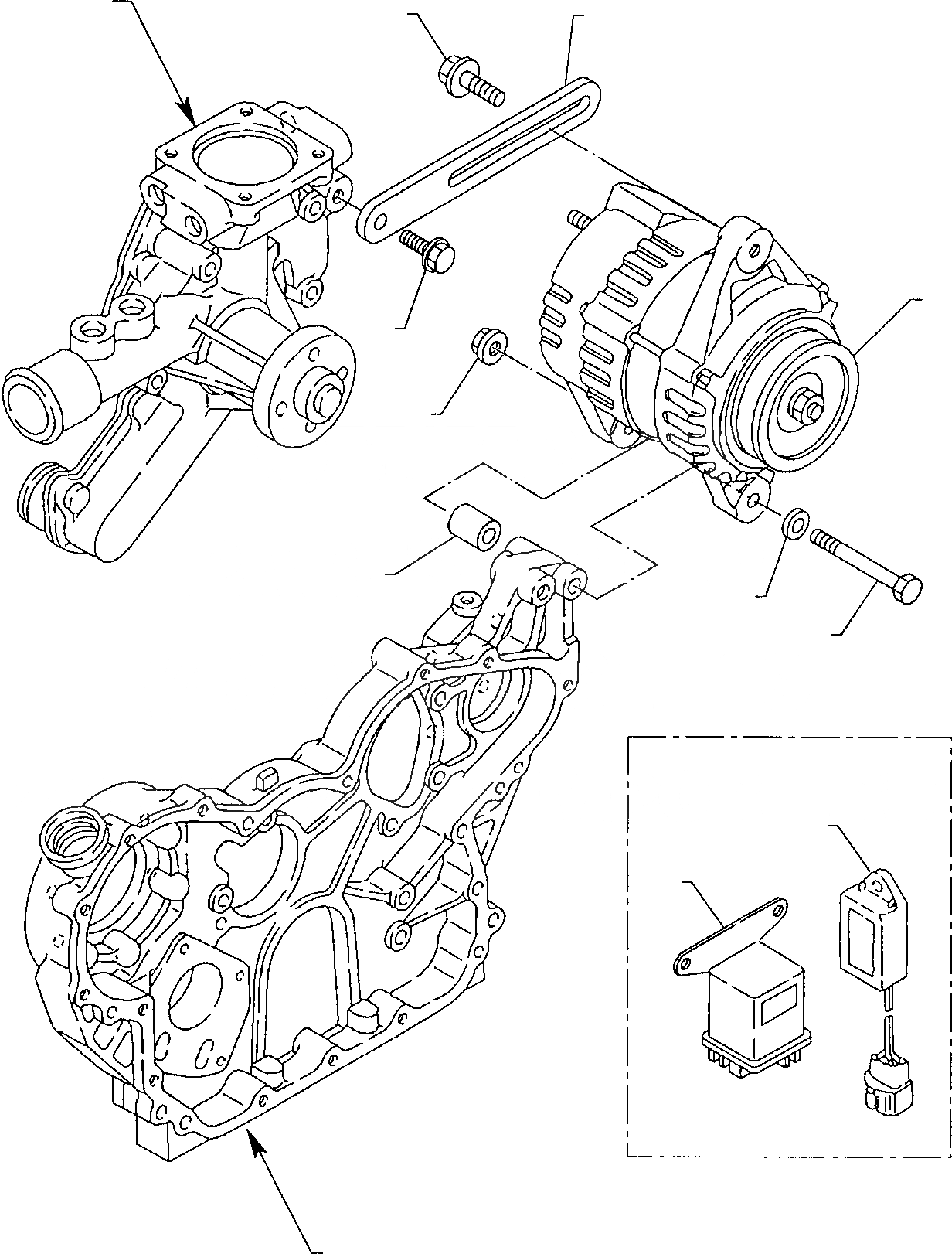
6
5
11
7
4
1
2
3
9
10
8
FIT
1:1
100%

Артикул

Название

Примечание

Количество

\0

871070017

Aspirated engine

1

YM123900-77340

Distance Piece

2

YM22137-100000

Washer

3

YM26116-101202

Bolt

4

YM26366-100002

Nut

5

YM123900-77330

Bracket

6

YM119810-77340

Bolt

7

YM26014-080252

Bolt

8

YM129100-77910

Relay

9

YM119632-77920

Timer

10

YM128300-77920

Timer

11

YM123900-77210

Generator

Выбрано товаров: 12