Качественные детали и логистика
Оригинальные и аналоговые запчасти с доставкой по России, Казахстану и Беларуси
©2022 PartSell ООО "Система" ИНН 2463123282 ОГРН 1212400004838
Центральный офис: г. Красноярск, Академика Киренского, д.87, пом.4
Телефон: 8 (800) 777-65-74 Email: zakaz@partsell.ru
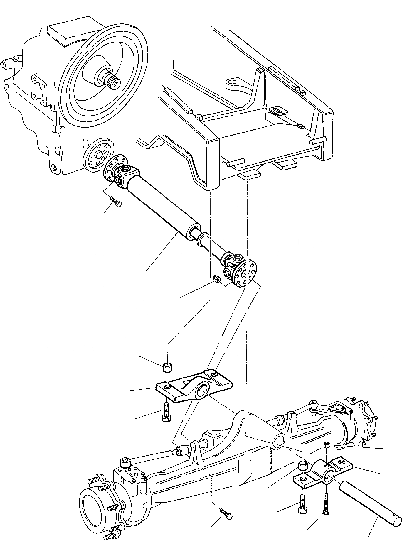
ПЕРЕДН. КАРДАНН. ВАЛ И ПЕРЕДНИЙ МОСТ КРЕПЛЕНИЕ
№
Артикул
Название
Примечание
Количество
1
312606601
Rear support
2
CA0116529
Bushing
3
312606600
Front Support
4
801015653
Bolt
5
801015584
6
801880212
Self-locking Nut
7
312606602
Pin
8
801015109
9
801880001
Self-locking nut
10
312606055
Shaft
11
801015556
Выбрано товаров: 11