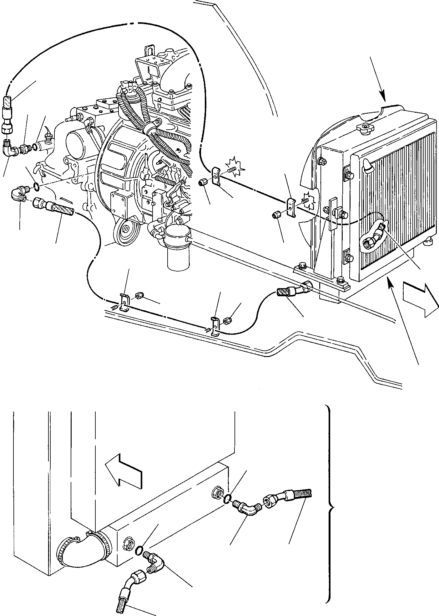
Запчасти Komatsu WB91R-2 ГИДРОЛИНИЯ (ОХЛАЖДЕНИЕ ТРАНСМИССИИ ЛИНИЯ) РАМА

Схема запчастей Komatsu WB91R-2 - ГИДРОЛИНИЯ (ОХЛАЖДЕНИЕ ТРАНСМИССИИ ЛИНИЯ) РАМА
A
A
A
4
6
7
9
10
5
10
11
8
11
3
10
4
10
11
11
3
2
2
3
1
1
4
FIT
1:1
100%

Артикул

Название

Примечание

Количество

1

500352103

Union

2

855051617

O Ring

3

392022019

Hose

4

392024001

Hose

5

500355609

Union

6

500352521

Union

7

855670003

O Ring

8

500352422

Union

9

855670003

O Ring

10

306471638

Retainer

11

801880208

Nut

Выбрано товаров: 11