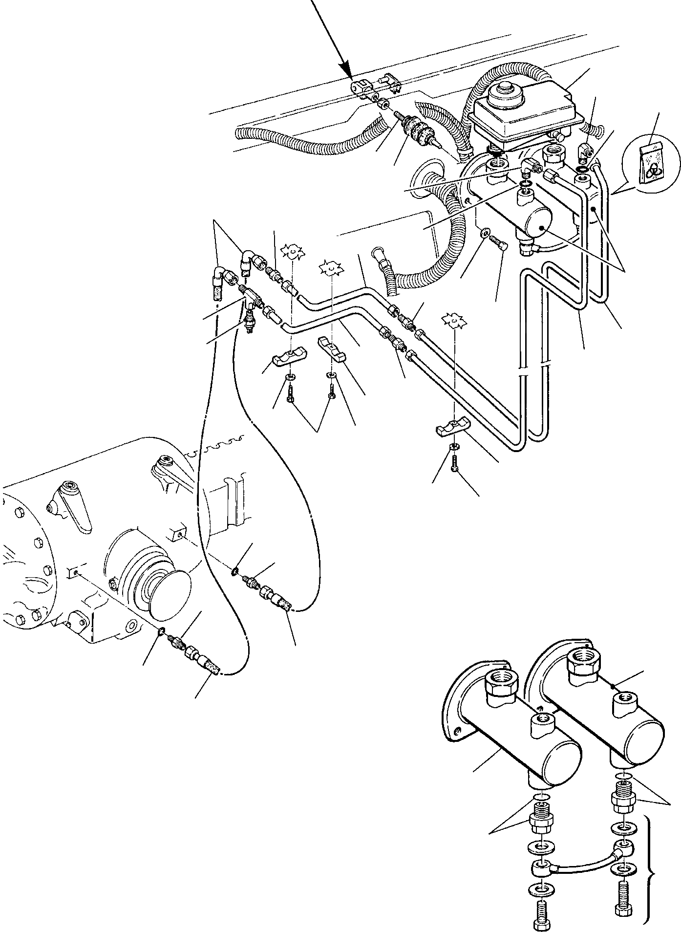
Запчасти Komatsu WB91R-2 ГИДРОЛИНИЯ (ТОРМОЗН. ГИДРОЛИНИЯ) РАМА

Схема запчастей Komatsu WB91R-2 - ГИДРОЛИНИЯ (ТОРМОЗН. ГИДРОЛИНИЯ) РАМА
A
5
10
2
11
9
3
10
22
14
11
15
1
7
14
8
20
12
21
16
13
17
14
17
18
18
19
17
18
19
24
23
23
22
1
24
22
1
4
4
6
FIT
1:1
100%

Артикул

Название

Примечание

Количество

1

880100068

Brake pump

2

880100069

Gasket kit

3

880100058

Belows

4

880100070

Valve

5

880100040

Tank

6

880100051

Connection union

7

802170001

Washer

8

801015087

Bolt

9

312617603

Rod

10

500358154

Union

11

855670006

O Ring

12

312617053

Tube

13

312617052

Tubo

14

500351608

Union

15

312617055

Tube

16

312617054

Tube

17

818000016

Collar

18

802170000

Washer

19

801015066

Bolt

20

500359003

Union

21

885080008

Stop switch

22

392011063

Hose

23

312610601

Union

24

855670015

O Ring

Выбрано товаров: 24