Качественные детали и логистика
Оригинальные и аналоговые запчасти с доставкой по России, Казахстану и Беларуси
©2022 PartSell ООО "Система" ИНН 2463123282 ОГРН 1212400004838
Центральный офис: г. Красноярск, Академика Киренского, д.87, пом.4
Телефон: 8 (800) 777-65-74 Email: zakaz@partsell.ru
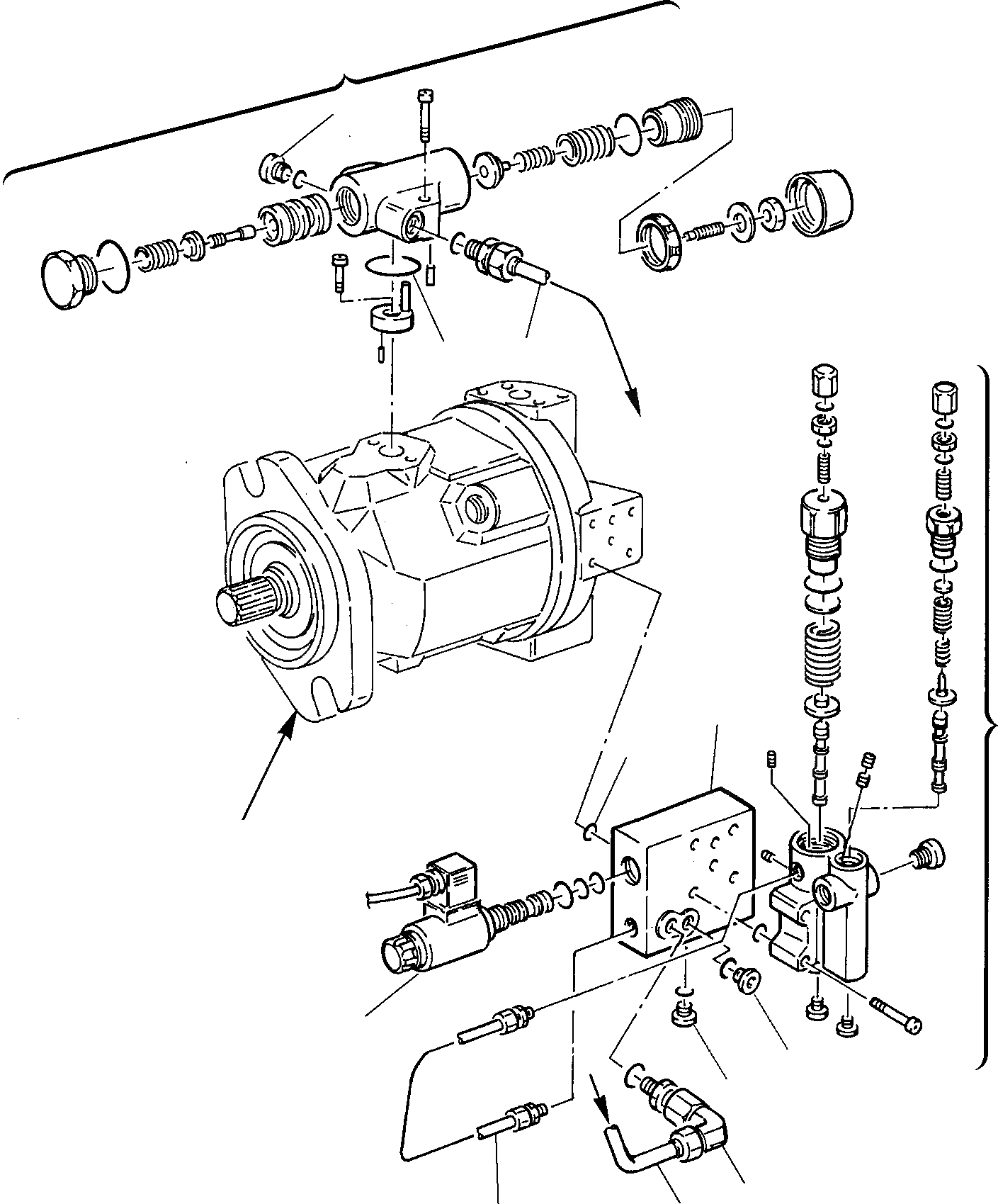
ГИДР. НАСОС. (/)
№
Артикул
Название
Примечание
Количество
\0
840220102
PUMP ASSY
1
840225218
PILOT VALVE
2
840225230
O-RING
3
840225221
PIPE
4
840225232
5
840225219
VALVE PLATE
6
840225231
VALVE
7
840225220
8
840225217
9
840225243
PLUG
10
840225237
ELBOW
Выбрано товаров: 0