Запчасти Komatsu WB91R-2 ГИДРОЛИНИЯ (ЦИЛИНДР КОВША) (/) ГИДРАВЛИКА РАБОЧЕЕ ОБОРУДОВАНИЕ

Схема запчастей Komatsu WB91R-2 - ГИДРОЛИНИЯ (ЦИЛИНДР КОВША) (/) ГИДРАВЛИКА РАБОЧЕЕ ОБОРУДОВАНИЕ
a
6
12
11
14
3
3
13
5
2
4
a
b
5
17
16
9
15
10
8
1
7
3
2
7
6
b
B
A
A
FIT
1:1
100%

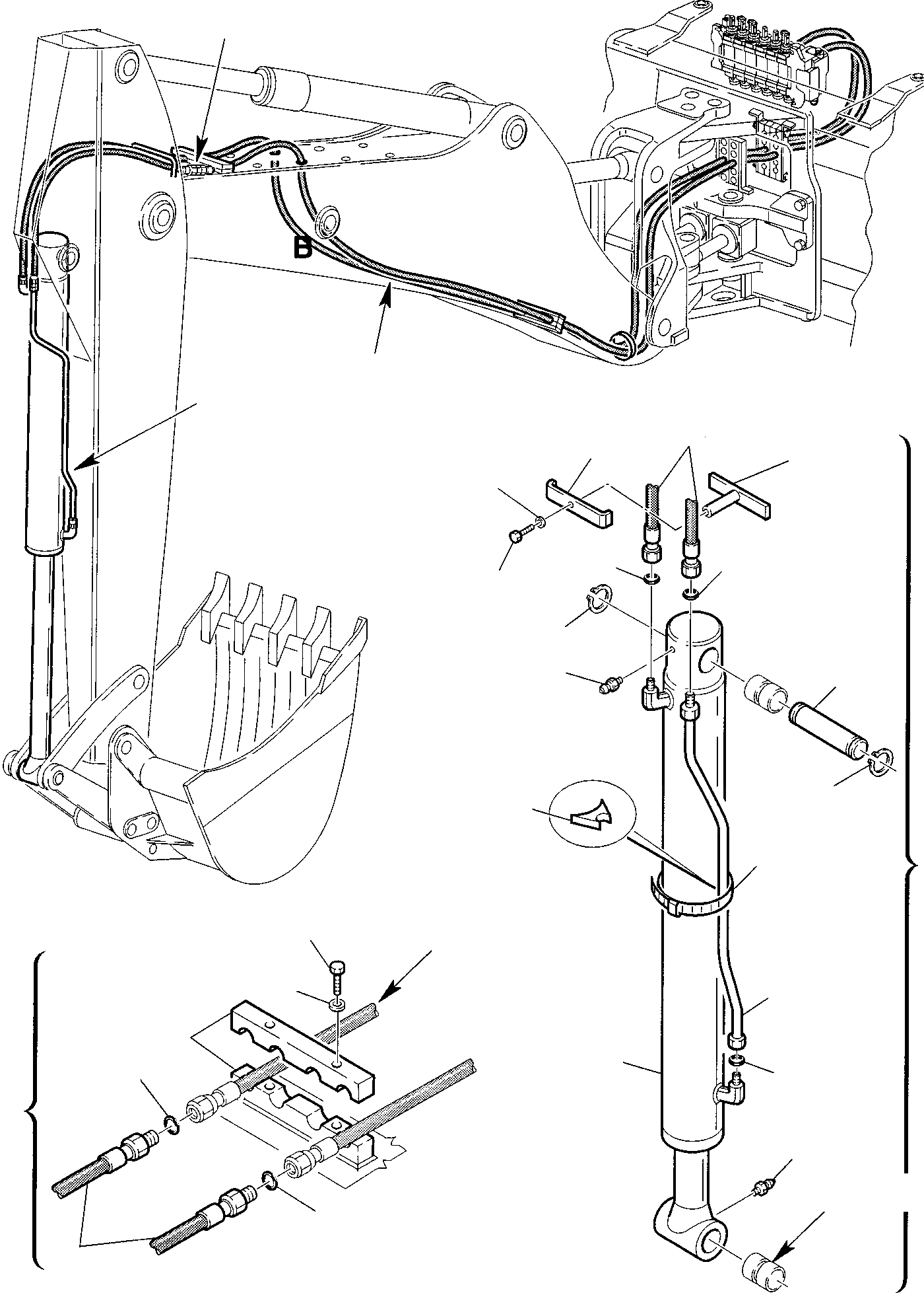
Артикул

Название

Примечание

Количество

1

395003003

JACK ASSY

2

860010007

FITTING

3

855051018

O-RING

4

312709605

PIN

5

802270017

SNAP RING

6

392861004

HOSE

7

855051018

O-RING

8

312308602

CLAMP

9

801015559

BOLT

10

802150510

WASHER

11

312307058

PLATE

12

312307605

BRACKET

13

801015109

BOLT

14

802170002

WASHER

15

312707065

PIPE

16

802660180

WRAPPER

17

314507601

RETAINER

Выбрано товаров: 17