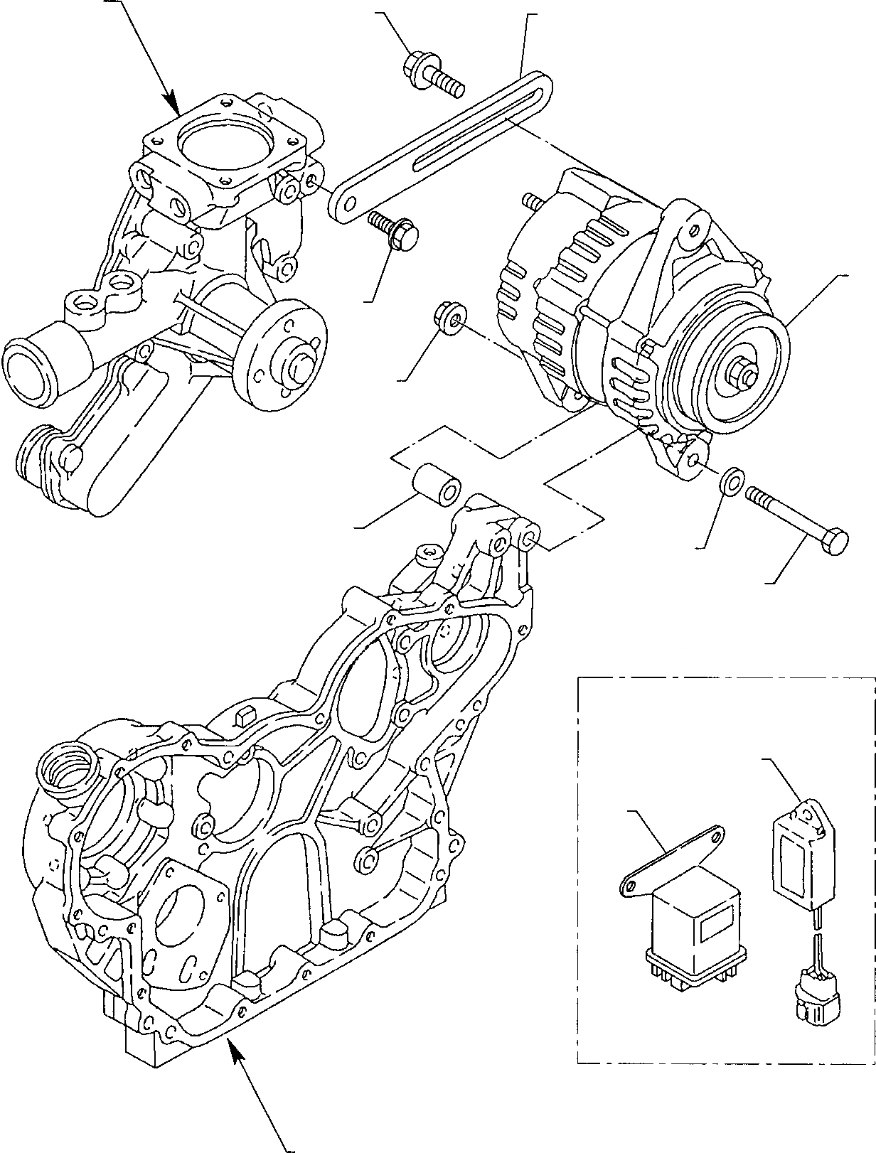
Запчасти Komatsu WB91R-2 ГЕНЕРАТОР ДВИГАТЕЛЬ

Схема запчастей Komatsu WB91R-2 - ГЕНЕРАТОР ДВИГАТЕЛЬ
A
B
6
5
11
7
4
1
2
3
9
10
8
FIT
1:1
100%

Артикул

Название

Примечание

Количество

\0

871070039

ASPIRATED ENGINE

1

YM123900-77340

DISTANCE PIECE

2

YM22137-100000

WASHER

3

YM26116-101202

BOLT

4

YM26366-100002

NUT

5

YM123900-77330

BRACKET

6

YM119810-77340

BOLT

7

YM26014-080252

BOLT

8

YM129100-77910

RELAY

9

YM119632-77920

TIMER

10

YM128300-77920

TIMER

11

YM123910-77210

GENERATOR

Выбрано товаров: 12