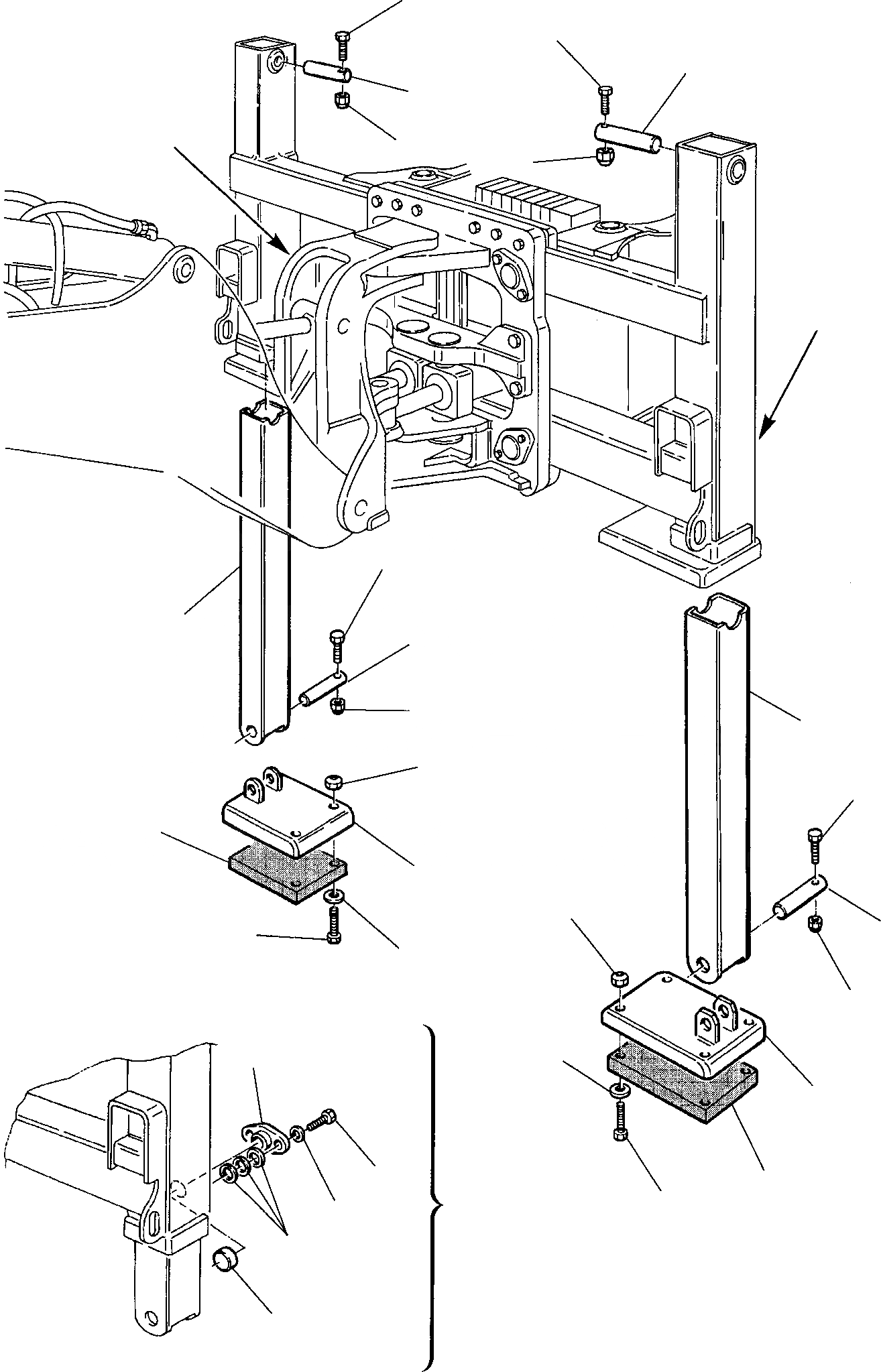
Запчасти Komatsu WB91R-2 ВЕРТИКАЛЬН. ОПОРА (С РЕЗИН.) РАБОЧЕЕ ОБОРУДОВАНИЕ

Схема запчастей Komatsu WB91R-2 - ВЕРТИКАЛЬН. ОПОРА (С РЕЗИН.) РАБОЧЕЕ ОБОРУДОВАНИЕ
2
2
1
1
3
3
6
4
5
7
4
12
6
9
8
12
5
10
11
7
11
15
8
16
9
10
17
14
13
A
A
A
FIT
1:1
100%

Артикул

Название

Примечание

Количество

1

390597068

PIN

2

801015582

BOLT

3

801880212

SELF-LOCKING NUT

4

200513916

OUTRIGGER

5

500322619

PIN

6

801015566

BOLT

7

801880001

SELF-LOCKING NUT

8

312702053

PLATE

9

200513952

RUBBER

10

801015187

BOLT

11

802170005

WASHER

12

801920108

NUT

13

312702605

PASTED PLATE

14

390605091

SPACER

15

312701053

PLATE

16

801015235

BOLT

17

802040015

WASHER

Выбрано товаров: 17