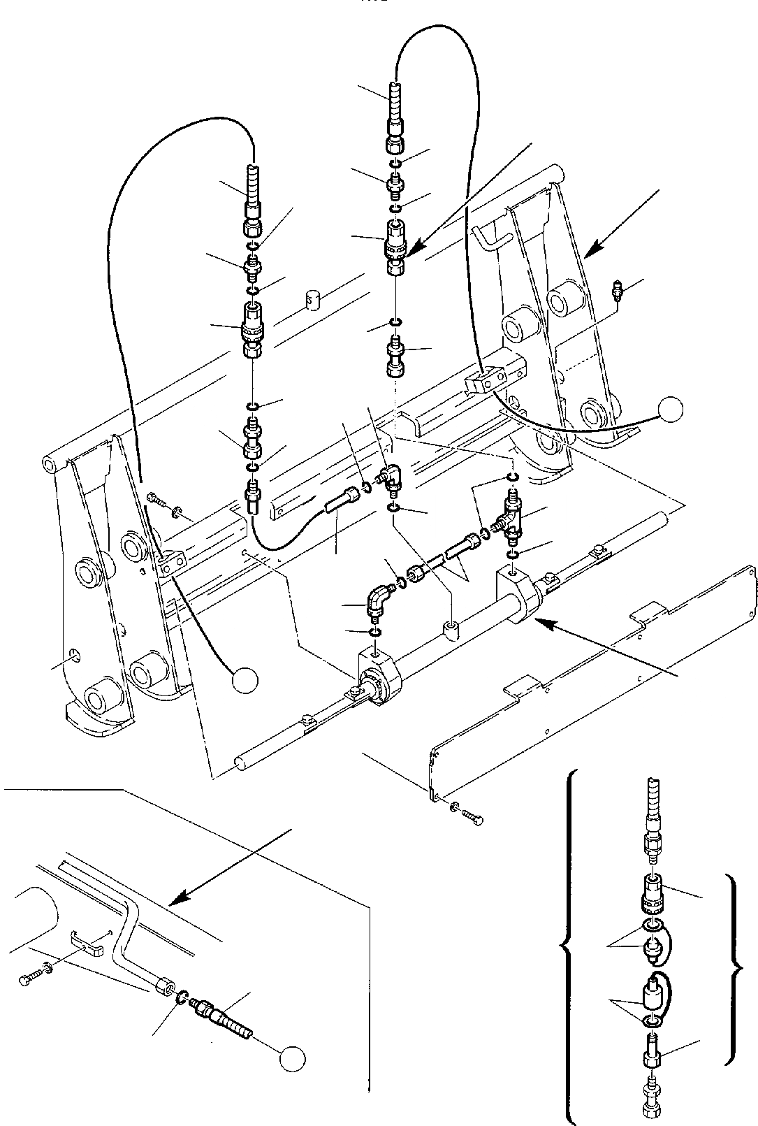
Запчасти Komatsu WB91R-2 ГИДРОЛИНИЯ КОВША (БЫСТРОСЪЕМН. МЕХ-М) (ОПЦИОНН.) ГИДРАВЛИКА РАБОЧЕЕ ОБОРУДОВАНИЕ

Схема запчастей Komatsu WB91R-2 - ГИДРОЛИНИЯ КОВША (БЫСТРОСЪЕМН. МЕХ-М) (ОПЦИОНН.) ГИДРАВЛИКА РАБОЧЕЕ ОБОРУДОВАНИЕ
20
X
X
19
A
17
A
X
21
A
B
C
20
18
19
12
17
3
18
12
11
10
11
1
3
10
9
6
4
2
5
3
8
7
1
2
14
16
12
20
15
13
FIT
1:1
100%

Артикул

Название

Примечание

Количество

1

500380507

ELBOW

2

855051113

O-RING

3

855051014

O-RING

4

500380904

UNION

5

855051113

O-RING

6

855051014

O-RING

7

312630072

PIPE

8

312630073

PIPE

9

855051014

O-RING

10

312630670

UNION

11

855051617

O-RING

12

200362251

COUPLING, ASSY

13

200362252

FITTING

14

200362253

BODY

15

200362262

PLUG

16

200362263

PLUG

17

500380110

UNION

18

855051617

O-RING

19

855051016

O-RING

20

392431005

HOSE

21

855051016

O-RING

Выбрано товаров: 21