Запчасти Komatsu WB91R-2 ВСАСЫВАЮЩ. ПАТРУБОК ДВИГАТЕЛЬ

Схема запчастей Komatsu WB91R-2 - ВСАСЫВАЮЩ. ПАТРУБОК ДВИГАТЕЛЬ
4
A
B
7
10
9
5
8
6
2
1
3
FIT
1:1
100%

Артикул

Название

Примечание

Количество

\0

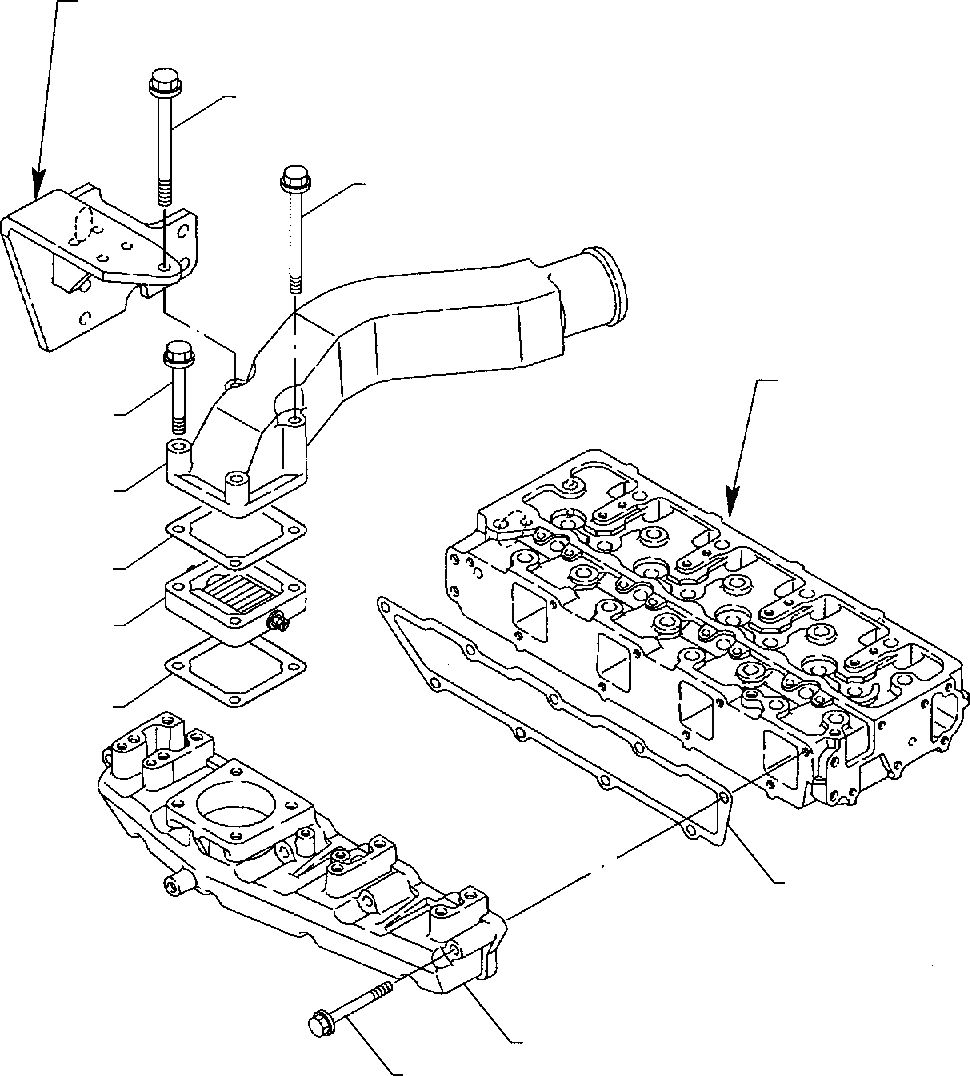
871070039

ASPIRATED ENGINE

1

YM123900-12100

MANIFOLD

2

YM123900-12110

GASKET

3

YM26106-080702

BOLT

4

YM123911-12590

BEND

5

YM123900-77020

GASKET

6

YM123900-77030

GASKET

7

YM26106-101202

BOLT

8

YM123900-77500

HEATHER AIR

9

YM26106-100752

BOLT

10

YM26106-101102

BOLT

Выбрано товаров: 11