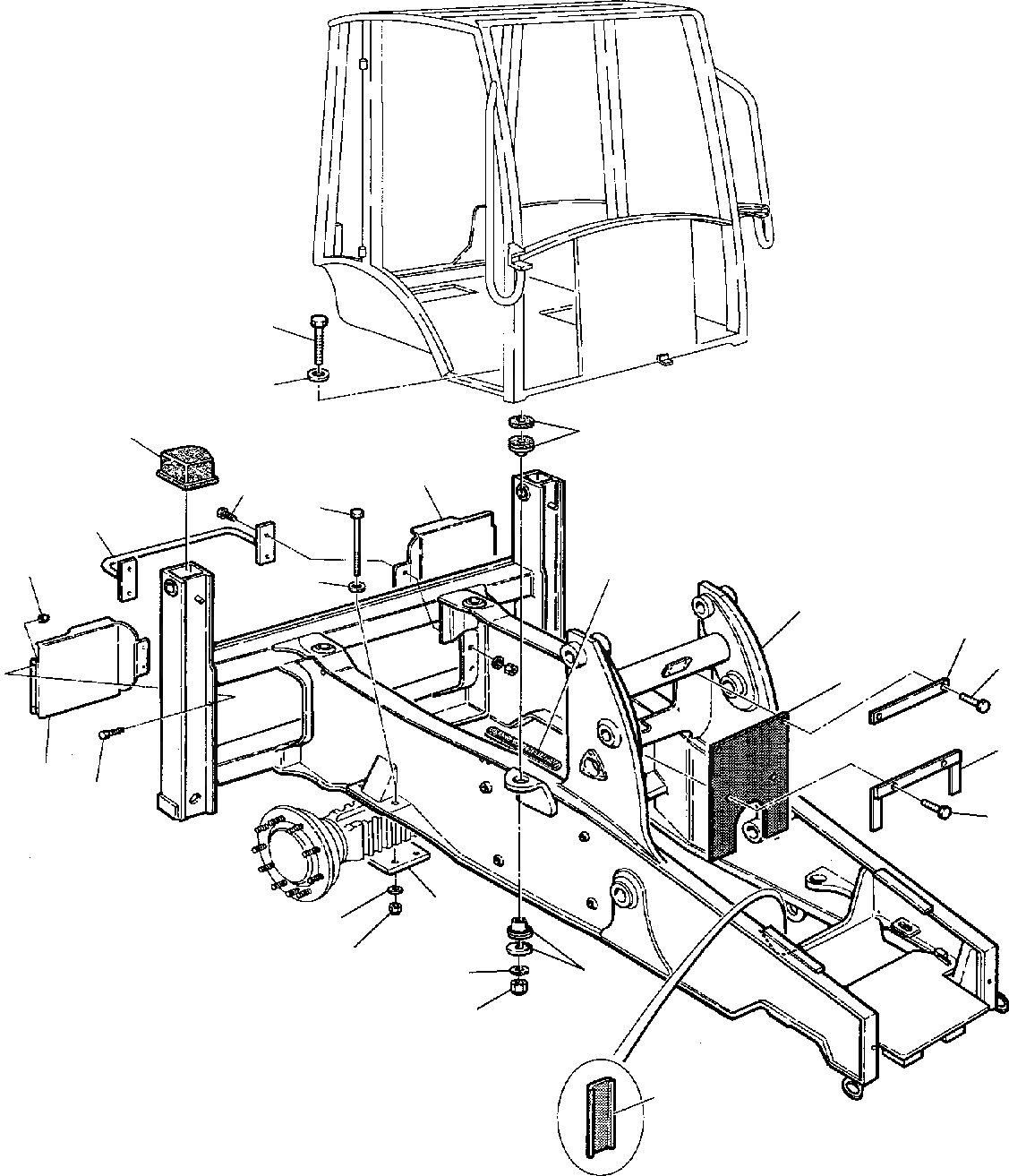
Запчасти Komatsu WB91R-2 РАМА РАМА

Схема запчастей Komatsu WB91R-2 - РАМА РАМА
18
21
17
14
11
15
3
16
13
22
4
1
7
9
6
8
10
12
9
2
4
5
20
17
19
23
FIT
1:1
100%

Артикул

Название

Примечание

Количество

1

312601066

FRAME VERTICAL OUTRIGGER

2

312601601

PLATE

3

312606618

BOLT

5

801880220

SELF-LOCKING NUT

6

312605755

SQUAB PANEL

7

312605756

PLATE

8

312605106

PLATE

9

801015112

BOLT

10

312701635

RIGHT PROTECTION

11

312701636

LEFT PROTECTION

13

801880001

SELF-LOCKING NUT

14

312605725

COVER

15

801015112

BOLT

16

312610051

TUBES SUPPORT

19

801880220

SELF-LOCKING NUT

20

390605087

WASHER

22

855710078

GASKET

23

312601709

GASKET

Выбрано товаров: 0