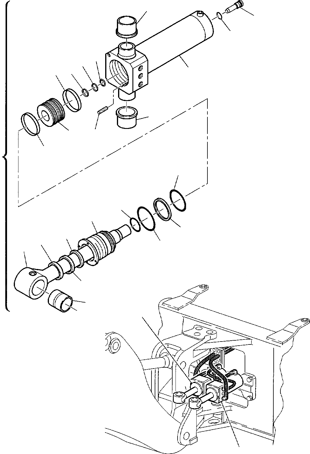
Запчасти Komatsu WB91R-2 ЦИЛИНДР ПОВОРОТА СТРЕЛЫ РАБОЧЕЕ ОБОРУДОВАНИЕ

Схема запчастей Komatsu WB91R-2 - ЦИЛИНДР ПОВОРОТА СТРЕЛЫ РАБОЧЕЕ ОБОРУДОВАНИЕ
23
10
13
9
8
7
20
11
12
10
6
24
19
1
2
18
15
5
17
14
21
16
3
22
4
1
2
FIT
1:1
100%

Артикул

Название

Примечание

Количество

1

395005019

BOOM SWING CYLINDER ASSY, R.H.

2

395005020

BOOM SWING CYLINDER ASSY, L.H.

3

395187012

ROD

5

500460953

RING NUT

6

395273012

PISTON

7

500468851

RING

8

500252046

RING

9

802250530

RING

10

500213004

BUSHING

11

395090012

CYLINDER, RIGHT

12

395091012

CYLINDER , LEFT

13

312705602

CYLINDER

\13

878000493

GASKET KIT

14

GASKET

15

O-RING

16

O-RING

17

RING

18

O-RING

19

GASKET

20

RING WEAR

21

SCRAPER RING

22

GASKET

23

O-RING

24

801456086

BOLT

Выбрано товаров: 0